Запчасти Case 590SN (35.525.230) - PILOT CONTROLS, QUICK COUPLER, LINE (35) - HYDRAULIC SYSTEMS

Схема запчастей Case 590SN - (35.525.230) - PILOT CONTROLS, QUICK COUPLER, LINE (35) - HYDRAULIC SYSTEMS
35.359.185
7
14
3
11
6
13
9
11
12
8
16
20
4
5
10
2
22
18
15
23
10
1
17
10
10
19
21
41.200.100
41.200.100
35.734.150
41.200.110
41.200.110
FIT
1:1
100%

Артикул

Название

Примечание

Количество

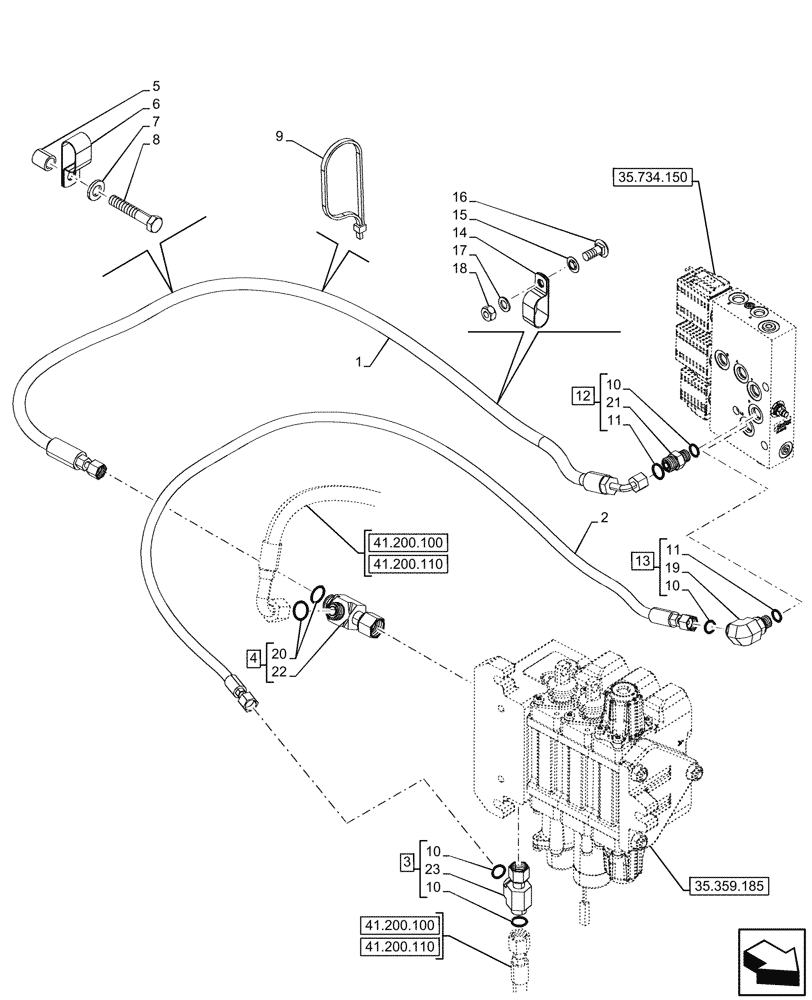
1

84573737

HOSE,10mm ID x 1510mm L, SAE 100R16 Type S

Quick Coupler Pressure

1шт.

2

84573736

HOSE,6.3mm ID x 1510mm L, SAE 100R16 Type S

Quick Coupler LS

1шт.

3

84989848

TEE,11/16" - 16 ORFS x 11/16" - 16 ORFS x 11/16" - 16 JIC

ASSY, Incl 10 (Qty 2), 23

1шт.

4

86514261

TEE,13/16" - 16 JIC x 13/16" - 16 ORFS x 13/16" - 16 ORFS

ASSY, Incl 20, 22

1шт.

5

84420571

SPACER,13.51mm ID x 19.05mm OD x 20mm L

1шт.

6

L302731

CLAMP,19mm D Clamping Pipes

1шт.

7

87655043

WASHER,M12, 13.65mm ID x 24.90mm OD x 3.20mm, HT Boron, ZNM

1шт.

8

827-12065

BOLT,Hex, M12 x 1.75 x 65mm, Cl 10.9

1шт.

9

L18331

CABLE TIE,375.9mm L, Nylon, Black

1шт.

10

9993141

O-RING,0.07" Thk x 0.364" ID, -12, Cl 6, 90 Duro

4шт.

11

9617873

O-RING,0.078" Thk x 0.468" ID, -906, Cl 6, 90 Duro

2шт.

12

9993143

HYD CONNECTOR,11/16" - 16 ORFS x 9/16" - 18 ORB

ASSY, Incl 10 (Qty 1), 11 (Qty 1), 21

1шт.

13

9840543

90 ELBOW,90 Degree, 11/16"-16 x 9/16"-18 Adj, ORFS

ASSY, Incl 10 (Qty 1), 11 (Qty 1), 19

1шт.

14

L101181

CLAMP,0.75" D Clamping pipes x 2

1шт.

15

87698854

NUT,M10

1шт.

16

829-1410

NUT,M10 x 1.5, Cl 10.9

1шт.

17

895-18010

WASHER,10.5mm ID x 18mm OD x 1.6mm Thk

1шт.

18

86633356

CARRIAGE BOLT,M10 x 34.8mm, Cl 8.8

1шт.

19

NSS

NOT SOLD SEPARAT

90° Elbow, Incl in 13

1шт.

20

9992298

O-RING,0.07" Thk x 0.489" ID, -14, Cl 6, 90 Duro

2шт.

21

NSS

NOT SOLD SEPARAT

Connector, Incl in 12

1шт.

22

NSS

NOT SOLD SEPARAT

Union Tee, Incl in 4

1шт.

23

NSS

NOT SOLD SEPARAT

Union Tee, Incl in 3

1шт.

Выбрано товаров: 23