Запчасти Case 590SN (35.701.490) - VAR - 747776 - LOADER, CONTROL VALVE, 3-SPOOL, MECHANICAL, W/O RIDE CONTROL, LINES (35) - HYDRAULIC SYSTEMS

Схема запчастей Case 590SN - (35.701.490) - VAR - 747776 - LOADER, CONTROL VALVE, 3-SPOOL, MECHANICAL, W/O RIDE CONTROL, LINES (35) - HYDRAULIC SYSTEMS
2
4
2
1
3
4
3
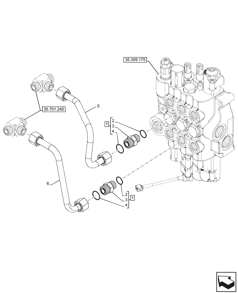
5
6
1
35.701.240
35.359.175
FIT
1:1
100%

Артикул

Название

Примечание

Количество

1

9621483

HYD CONNECTOR,1"-14 ORFS x 7/8"-14 ORB

ASSY, Incl 2 - 4

2шт.

2

128359

O-RING,0.07" Thk x 0.614" ID, -16, Cl 5, 75 Duro

2шт.

3

NSS

NOT SOLD SEPARAT

Connector, Incl in 1

2шт.

4

167269

O-RING,0.097" Thk x 0.755" ID, -910, Cl 6, 90 Duro

2шт.

5

84293154

TUBE

Loader Lift Port A, Valve to Cylinder Line

1шт.

6

84293149

TUBE

Loader Lift Port B, Valve to Cylinder Line

1шт.

Выбрано товаров: 6