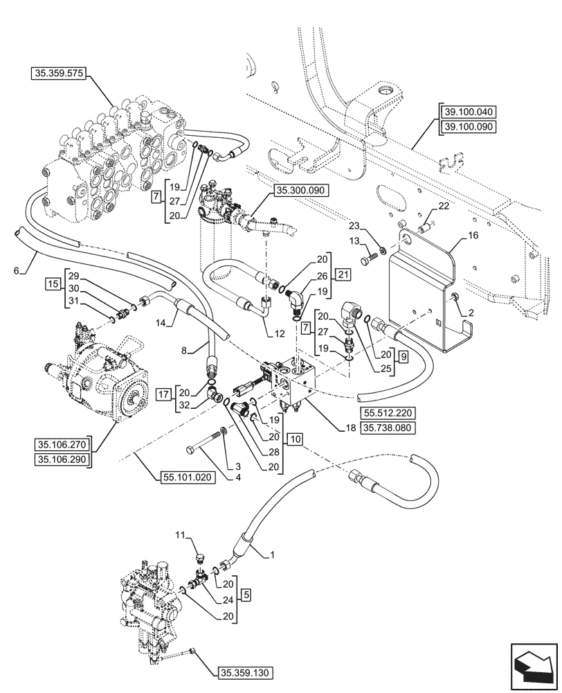
Запчасти Case 590SN (35.738.070) - HYDRAULIC LIFT, W/ MECHANICAL LIFT, VALVE, LINES (35) - HYDRAULIC SYSTEMS

Схема запчастей Case 590SN - (35.738.070) - HYDRAULIC LIFT, W/ MECHANICAL LIFT, VALVE, LINES (35) - HYDRAULIC SYSTEMS
39.100.040
20
9
7
7
21
19
6
30
17
28
15
4
27
20
20
22
23
10
32
20
20
20
20
19
2
8
20
5
25
11
10
3
1
16
14
27
12
20
13
31
18
24
29
26
19
19
35.300.090
35.106.270
35.359.130
35.359.575
55.101.020
55.512.220
35.106.290
35.738.080
39.100.090
FIT
1:1
100%

Артикул

Название

Примечание

Количество

1

84573697

HOSE,10mm ID x 810mm L

Heavy Lift

1шт.

2

829-1406

NUT,Hex, M6 x 1, Cl 10.9

2шт.

3

87655041

SPECIAL WASHER,6.85mm ID x 13.5mm OD x 2mm Thk

4шт.

4

9850685

BOLT,Hex, M6 - 1 x 90mm, Cl 8.8

2шт.

5

84989848

TEE,11/16" - 16 ORFS x 11/16" - 16 ORFS x 11/16" - 16 JIC

ASSY, Incl 20 (Qty 2), 24

1шт.

6

84573699

FLEXIBLE SHEATH,19mm ID x 25.71mm OD x 1590mm L

1шт.

7

9993143

HYD CONNECTOR,11/16" - 16 ORFS x 9/16" - 18 ORB

ASSY, Incl 19 (Qty 2), 20 (Qty 2), 27

2шт.

8

84573698

HOSE,10mm ID x 1685mm L

Heavy Lift

1шт.

9

84989392

ELBOW,90 Degree, 11/16"-16 ORFS x 11/16"-16 Fem Sw

ASSY, Incl 20 (Qty 1), 25

1шт.

10

84368922

BRANCH TEE,11/16"-16 ORFS x 9/16" ORB

ASSY, Incl 19 (Qty 1), 20 (Qty 2), 28

1шт.

11

87331950

CAP ASSY.,Hex, 11/16"-16

1шт.

12

84573696

HOSE,10mm ID x 317mm L

Heavy Lift Return

1шт.

13

614-10030

BOLT,Hex, M10 x 1.5 x 30mm, Cl 8.8, Full Thd

1шт.

14

84573695

HOSE,10mm ID x 463mm L

Heavy Lift Pilot Control

1шт.

15

87681202

HYD CONNECTOR,9/16" - 18 ORFS x 7/16" - 20 ORB

ASSY, Incl 29 - 31

1шт.

16

47768480

BRACKET

Valve Mounting

1шт.

17

87354477

ELBOW,45 Degree, 11/16"-16 x 11/16"-16 Fem Sw

ASSY, Incl 20 (Qty 1), 32

1шт.

18

84527718

CONTROL VALVE

ASSY, Heavy Lift Pilot Control

1шт.

19

9617873

O-RING,0.078" Thk x 0.468" ID, -906, Cl 6, 90 Duro

4шт.

20

9993141

O-RING,0.07" Thk x 0.364" ID, -12, Cl 6, 90 Duro

9шт.

21

9840543

90 ELBOW,90 Degree, 11/16"-16 x 9/16"-18 Adj, ORFS

ASSY, Incl 19 (Qty 1), 20 (Qty 1), 26

1шт.

22

87417721

THREADED INSERT,M10 x 1.5-6H x 29 L

1шт.

23

83904166

WASHER,10.5mm ID x 30mm OD x 4mm Thk

1шт.

24

NSS

NOT SOLD SEPARAT

Union Tee, Incl in 5

1шт.

25

NSS

NOT SOLD SEPARAT

90° Elbow, Incl in 9

1шт.

26

NSS

NOT SOLD SEPARAT

90° Elbow, Incl in 21

1шт.

27

NSS

NOT SOLD SEPARAT

Connector, Incl in 7

2шт.

28

NSS

NOT SOLD SEPARAT

Tee, Incl in 10

1шт.

29

9825770

O-RING,0.07" Thk x 0.301" ID, -11, Cl 6, 90 Duro

1шт.

30

NSS

NOT SOLD SEPARAT

Connector, Incl in 15

1шт.

31

165202

O-RING,0.072" Thk x 0.351" ID, -904, Cl 6, 90 Duro

1шт.

32

NSS

NOT SOLD SEPARAT

45° Elbow, Incl in 17

1шт.

Выбрано товаров: 32