Запчасти Case 590SN (88.100.35[08]) - DIA KIT, AUTO RIDE CONTROL, POWERSHUTTLE TRANSMISSION, VALVE, HYDRAULIC LINE, 4WD (88) - ACCESSORIES

Схема запчастей Case 590SN - (88.100.35[08]) - DIA KIT, AUTO RIDE CONTROL, POWERSHUTTLE TRANSMISSION, VALVE, HYDRAULIC LINE, 4WD (88) - ACCESSORIES
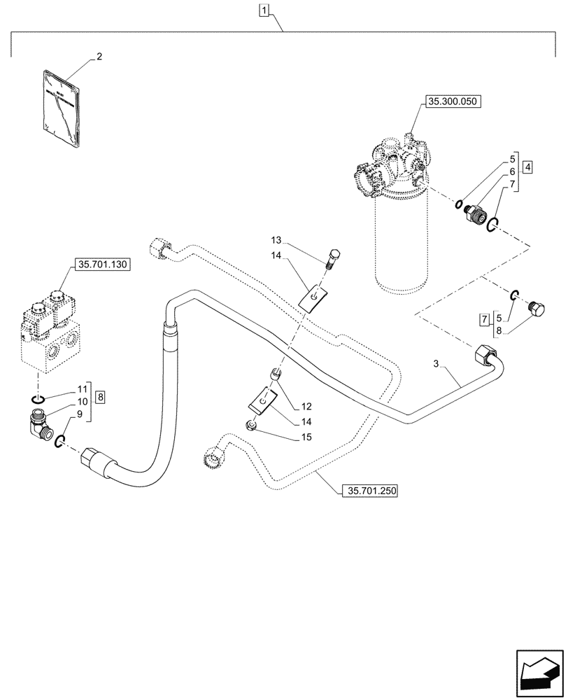
35.701.250
6
2
15
1
7
8
8
7
14
5
10
12
11
13
4
9
3
5
14
35.701.130
35.300.050
FIT
1:1
100%

Артикул

Название

Примечание

Количество

1

47880146

CONSTRUCTION DIA

Auto Ride Control, Incl 2 - 15

1шт.

Refer to Installation Instructions P/N for Correct Assembly Procedure

1шт.

To See Full DIA KIT Composition Look for all the Figures Where the DIA KIT P/N Is Shown

1шт.

1

47473494

HYDRAULIC HOSE,12.5mm ID x 341.8mm L, SAE 100R16 Type S

Su Tav. 35 701 150

1шт.

2

47880149

INSTRUCTION

1шт.

3

84291884

HYD TUBE

Ride Control to Tank

1шт.

4

201-132

HYD CONNECTOR,1"-14 ORFS x 7/16"-20 ORB

ASSY, Incl 5 - 7

1шт.

5

237-6006

O-RING,0.078" Thk x 0.468" ID, -906, Cl 6, 90 Duro

1шт.

6

NSS

NOT SOLD SEPARAT

Connector, Incl in 4

1шт.

7

238-6016

O-RING,0.07" Thk x 0.614" ID, -16, Cl 6, 90 Duro

1шт.

8

201-343

ELBOW,90 Degree Elbow, 1" - 14 Male ORFS x 3/4" - 16 Male ORB

ASSY, Incl 9 - 11

1шт.

9

9992069

O-RING,0.07" Thk x 0.614" ID, -16, Cl 6, 90 Duro

1шт.

10

NSS

NOT SOLD SEPARAT

90° Elbow, Incl in 8

1шт.

11

128825

O-RING,0.087" Thk x 0.644" ID, -908, Cl 6, 90 Duro

1шт.

12

120303A1

SPACER,11mm ID x 15.82mm OD x 15mm Thk

2шт.

13

814-10045

BOLT,Hex, M10 x 1.5 x 45mm, Cl 8.8

2шт.

14

D138055

CLAMP

4шт.

15

829-1410

NUT,M10 x 1.5, Cl 10.9

2шт.

Выбрано товаров: 18