Запчасти Case 590SN (55.000.00[05]) - SECTION INDEX - ELECTRICAL SYSTEMS (55) - ELECTRICAL SYSTEMS

Схема запчастей Case 590SN - (55.000.00[05]) - SECTION INDEX - ELECTRICAL SYSTEMS (55) - ELECTRICAL SYSTEMS
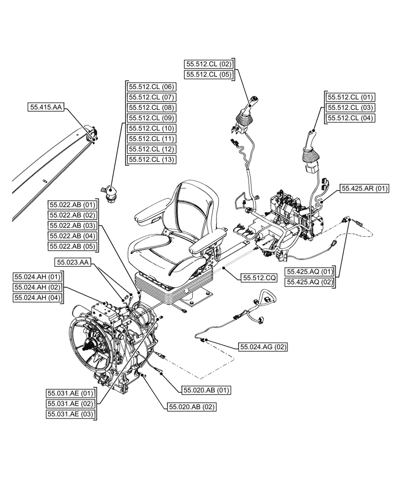
55.020.ab (02)
55.512.cl (08)
55.512.cl (05)
55.415.aa
55.512.cl (01)
55.512.cl (02)
55.512.cl (11)
55.512.cl (06)
55.512.cl (07)
55.512.cl (09)
55.512.cl (12)
55.512.cl (10)
55.512.cl (13)
55.512.cl (04)
55.512.cl (03)
55.512.cq
55.031.ae (03)
55.425.aq (01)
55.425.aq (02)
55.031.ae (01)
55.031.ae (02)
55.024.ah (01)
55.425.ar (01)
55.024.ah (02)
55.022.ab (05)
55.024.ah (04)
55.022.ab (01)
55.022.ab (03)
55.022.ab (02)
55.020.ab (01)
55.024.ag (02)
55.022.ab (04)
55.023.aa
FIT
1:1
100%