Запчасти Case 590SN (55.100.DO[08]) - VAR - 423060, 423061, 423062 - SIDE PANEL, RH, WIRE HARNESS, DECAL, RELAY, FUSE BOX (55) - ELECTRICAL SYSTEMS

Схема запчастей Case 590SN - (55.100.DO[08]) - VAR - 423060, 423061, 423062 - SIDE PANEL, RH, WIRE HARNESS, DECAL, RELAY, FUSE BOX (55) - ELECTRICAL SYSTEMS
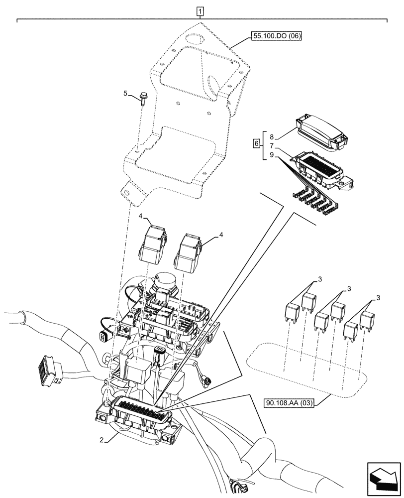
55.100.do (06)
3
5
7
8
4
9
3
1
2
4
6
3
90.108.aa (03)
FIT
1:1
100%

Артикул

Название

Примечание

Количество

1

84292425

HARNESS

ASSY, Side Console, Incl 2 - 9

1шт.

See Side Console Wire Harness Components also in Figure 55.100.DO 06, 55.100.DO 07, 90.108.AA 03

1шт.

2

NSS

NOT SOLD SEPARAT

Harness, Incl in 1

1шт.

3

87655334

RELAY,12V, 35A, Micro

6шт.

4

84271717

RELAY,12V, 50A

2шт.

5

845-6020

BOLT,Hvy Hex, M6 x 20mm, Cl 8.8

2шт.

6

84380518

FUSE BOX

ASSY, Incl 7 - 9

1шт.

7

NSS

NOT SOLD SEPARAT

Support, Incl in 6

1шт.

8

84404932

COVER

1шт.

9

84342278

CONNECTING BLOCK

6шт.

Выбрано товаров: 10