Запчасти Case 590SN (55.404.BS[05]) - VAR - 747853, 747854, 747855 - WORK LIGHT, FRONT (55) - ELECTRICAL SYSTEMS

Схема запчастей Case 590SN - (55.404.BS[05]) - VAR - 747853, 747854, 747855 - WORK LIGHT, FRONT (55) - ELECTRICAL SYSTEMS
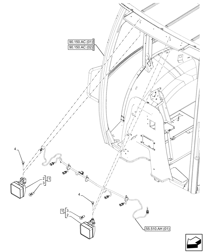
55.510.ah (01)
4
2
1
2
3
1
4
3
90.150.ac (02)
90.150.ac (01)
FIT
1:1
100%

Артикул

Название

Примечание

Количество

1

87584890

LIGHT ASSY.,Halogen, 12V, 55W, Clear

ASSY, Incl 2, 3

2шт.

1

47682620

WORK LAMP,Flood, LED, 12V

LAMP, WORK, LED

2шт.

2

NSS

NOT SOLD SEPARAT

Lamp, Incl in 1

2шт.

3

1312210C2

BULB,Halogen H3, 12V, 55W

12V, 55W

2шт.

4

128312A1

FLANGE BOLT,Hvy Hex, M10 x 1.5 x 15mm, Gr 8.8

4шт.

Выбрано товаров: 5