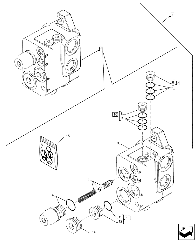
Запчасти Case 590SN (88.100.35[098]) - DIA KIT, DIPPER OSCILLATION (88) - ACCESSORIES

Схема запчастей Case 590SN - (88.100.35[098]) - DIA KIT, DIPPER OSCILLATION (88) - ACCESSORIES
15
13
3
14
10
2
9
6
12
7
11
5
4
8
1
4
FIT
1:1
100%

Артикул

Название

Примечание

Количество

1

47593980

CONSTRUCTION DIA

Dipper Oscillation, Incl 2 - 15

1шт.

2

84278712

HYD VALVE SECTION

Inlet, ASSY, Incl 3 - 15

1шт.

3

NSS

NOT SOLD SEPARAT

Valve, Incl in 2

1шт.

4

84295095

KIT

1шт.

5

87752046

PLUG

ASSY, Incl 6, 7

1шт.

6

NSS

NOT SOLD SEPARAT

Plug, Incl in 5

2шт.

7

85821235

SEAL KIT

1шт.

8

NSS

NOT SOLD SEPARAT

Plug, Incl in 10

1шт.

9

85821236

SEAL KIT

1шт.

10

87752047

PLUG

ASSY, Incl 8, 9

1шт.

11

9841223

PLUG,1-1/16" - 12 ORB

ASSY, Incl 12, 13

1шт.

12

NSS

NOT SOLD SEPARAT

Plug, Incl in 11

1шт.

13

167266

O-RING,0.116" Thk x 0.924" ID, -912, Cl 6, 90 Duro

1шт.

14

87363628

PLUG,1 - 5/16" - 12

1шт.

15

85825477

SEAL KIT

1шт.

Выбрано товаров: 15