Качественные детали и логистика
Оригинальные и аналоговые запчасти с доставкой по России, Казахстану и Беларуси
©2022 PartSell ООО "Система" ИНН 2463123282 ОГРН 1212400004838
Центральный офис: г. Красноярск, Академика Киренского, д.87, пом.4
Телефон: 8 (800) 777-65-74 Email: zakaz@partsell.ru
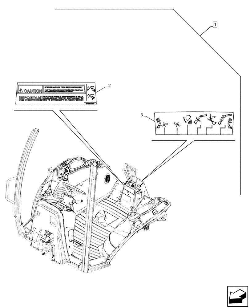
(88.100.90[07]) - DIA KIT, CONC 2 LVR TO FT SWING EHOE
№
Артикул
Название
Примечание
Количество
1
47453061
CONSTRUCTION DIA
Kit, CONV 2 LVR TO FT SWING EHOE, Incl 2 - 3
1шт.
2
47461983
WARNING DECAL
Caution/Important, Extendable Hoe, English
3
D149825
DECAL
Top Backhoe
Выбрано товаров: 0