Запчасти Case 590SN (88.100.90[12]) - DIA KIT, CONVERT STD DIPPER TO EHOE - H/SW (88) - ACCESSORIES

Схема запчастей Case 590SN - (88.100.90[12]) - DIA KIT, CONVERT STD DIPPER TO EHOE - H/SW (88) - ACCESSORIES
1
2
3
FIT
1:1
100%

Артикул

Название

Примечание

Количество

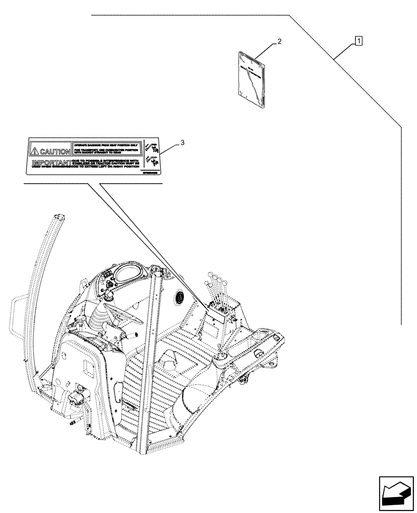
1

47520393

CONSTRUCTION DIA

Convert Standard Dipper to Extendable Dipper, Hand Swing, Incl 2, 3

1шт.

Refer to Installation Instruction P/N for Correct Assembly Procedure

1шт.

2

47521826

INSTRUCTION

1шт.

3

47461983

WARNING DECAL

Top Backhoe

1шт.

Выбрано товаров: 4