Запчасти Case 590SN (21.113.0401) - VAR - 423061 - HOUSING - POWERSHIFT S-TYPE 4WD (21) - TRANSMISSION

Схема запчастей Case 590SN - (21.113.0401) - VAR - 423061 - HOUSING - POWERSHIFT S-TYPE 4WD (21) - TRANSMISSION
22
4
18
17
5
20
16
7
1
2
12
11
13
15
26
11
55.020.01
11
24
2
2
24
25
6
5
19
21
9
24
24
16
55.020.11
home
23
18
10
24
3
8
2
16
2
14
7
FIT
1:1
100%

Артикул

Название

Примечание

Количество

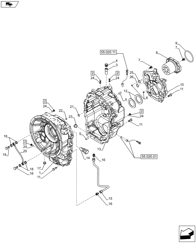
1

84336853

HOUSING

Assy

1шт.

2

9625178

PLUG,9/16" - 18 ORB

Assy, Incl 24

7шт.

3

310772A1

VENTILATION PIPE,18 mm OD, 42 mm Length

1шт.

4

1530028C1

BREATHER

1шт.

5

K260177

PIN

3шт.

6

5194294

RUBBER RING

3шт.

7

87701258

BOLT,M10 x 1.5 x 45mm L

10шт.

8

87701269

FLANGE

1шт.

9

87429982

O-RING

1шт.

10

84336855

COVER

1шт.

11

614-10030

BOLT,Hex, M10 x 1.5 x 30mm, Cl 8.8, Full Thd

20шт.

12

84336858

SHIM,0.1mm Thk

0.1mm Thick

1шт.

12

84336860

SHIM,0.3mm Thk

0.3mm Thick

1шт.

13

84336854

HOUSING

1шт.

14

84336881

VALVE, PRESSURE CONT

1шт.

15

84336857

TUBE

1шт.

16

218-1023

HYD CONNECTOR,1/2"-20, 37 Degree x 1/4"-18, NPTF

2шт.

17

239606A1

PLUG

1шт.

18

181105A1

SEALING WASHER,14mm ID x 20mm OD x 1.5mm Thk

4шт.

19

181179A1

BANJO BOLT

2шт.

20

181232A1

TUBE

1шт.

21

181141A1

O-RING,17.12mm ID x 2.62mm Width

6шт.

22

87701779

RIVET,7mm OD

2шт.

23

100557A1

PLUG, DRAIN,M30 x 2

1шт.

24

9617873

O-RING,0.078" Thk x 0.468" ID, -906, Cl 6, 90 Duro

1шт.

25

272219

O-RING,0.103" Thk x 1.612" ID, -130, Cl 5, 75 Duro

1шт.

26

9820460

O-RING,0.103" Thk x 1.799" ID, -133, Cl 5, 75 Duro

1шт.

Выбрано товаров: 27