Запчасти Case 590SN (21.700.0102[01A]) - VAR - 423061, 423062 - TORQUE CONVERTER - CLUTCH - POWERSHIFT S-TYPE / H-TYPE - D7283 (21) - TRANSMISSION

Схема запчастей Case 590SN - (21.700.0102[01A]) - VAR - 423061, 423062 - TORQUE CONVERTER - CLUTCH - POWERSHIFT S-TYPE / H-TYPE - D7283 (21) - TRANSMISSION
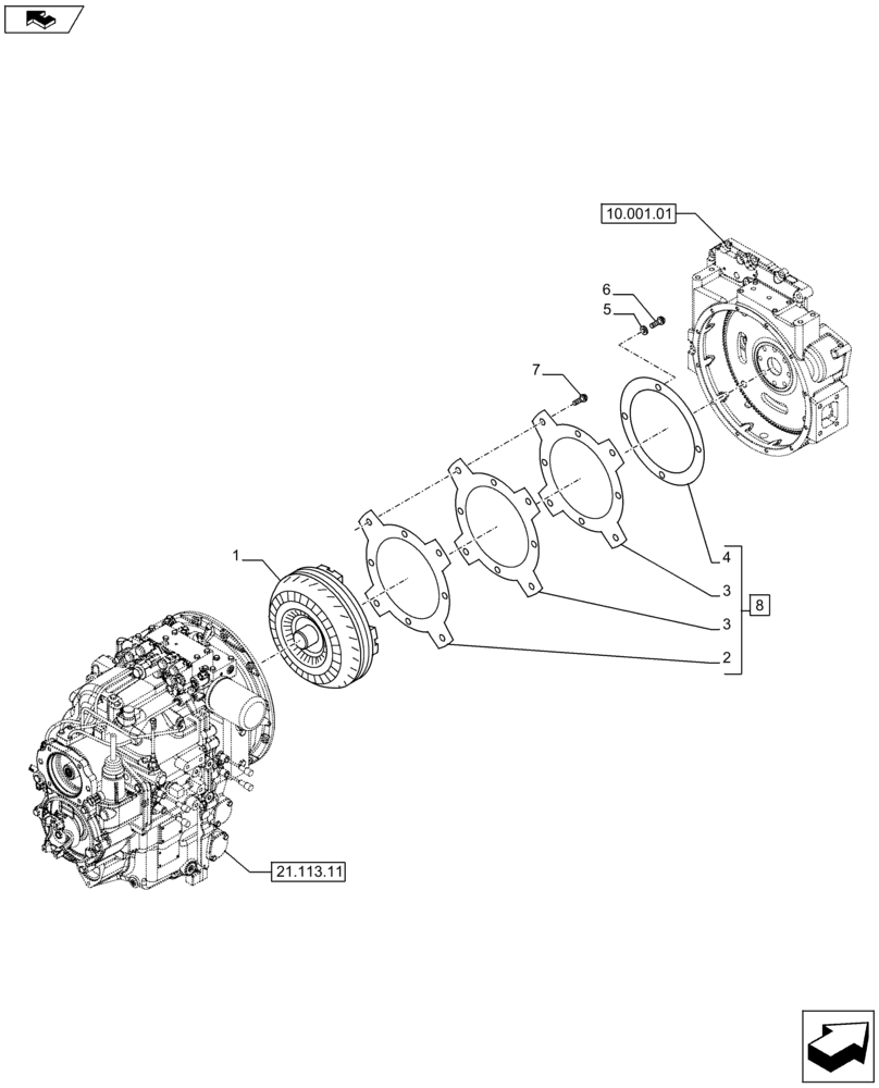
3
1
8
home
7
5
2
10.001.01
21.113.11
4
3
6
FIT
1:1
100%

Артикул

Название

Примечание

Количество

1

87702192

TORQUE CONVERTER

1шт.

1

87702192R

REMAN-TORQUE CONVERT

1шт.

1

87702192C

CORE-TORQUE CONVERTR

Return Number

1шт.

2

NSS

NOT SOLD SEPARAT

Plate

1шт.

3

NSS

NOT SOLD SEPARAT

Plate

2шт.

4

NSS

NOT SOLD SEPARAT

Backing Plate

1шт.

5

896-15010

WASHER,11mm ID x 24mm OD x 3mm Thk

4шт.

6

614-10020

BOLT,Hex, M10 x 1.5 x 20mm, Cl 8.8, Full Thd

4шт.

7

14420231

HEX SOC SCREW,M10 x 1.5 x 30mm, Cl 10.9, Full Thd

4шт.

8

47442982

KIT

Assy, Incl 2 - 4

1шт.

Выбрано товаров: 10