Запчасти Case 590SN (35.701.09) - VAR - 747864, X20137X - HYDRAULICS - VALVE, LOADER CONTROL - 3 SPOOL VALVE, PILOT CONTROLS (35) - HYDRAULIC SYSTEMS

Схема запчастей Case 590SN - (35.701.09) - VAR - 747864, X20137X - HYDRAULICS - VALVE, LOADER CONTROL - 3 SPOOL VALVE, PILOT CONTROLS (35) - HYDRAULIC SYSTEMS
21
6
7
12
9
14
20
19
21
30
31
13
33
35
34
28
29
15
2
5
13
24
35
35.724.17 01
30
13
27
3
8
30
10
22
25
11
23
4
1
32
26
16
30
17
18
home
12
FIT
1:1
100%

Артикул

Название

Примечание

Количество

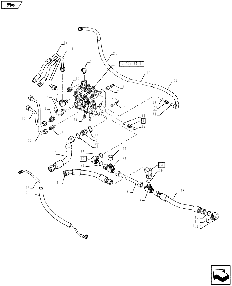
1

84219974

VALVE

Assy

1шт.

1

84219974R

REMAN-HYD VALVE

Reman Assy

1шт.

1

84219974C

CORE-VALVE HYD

Core Return Number

1шт.

2

87585960

SPACER,11mm ID x 22mm OD x 22mm L

3шт.

3

87417721

THREADED INSERT,M10 x 1.5-6H x 29 L

3шт.

4

814-10070

BOLT,Hex, M10 x 1.5 x 70mm, Cl 8.8

3шт.

5

9824055

HYD CONNECTOR,1-7/16" - 12 ORFS x 1-5/16" - 12 ORB

Assy, Incl 29 - 30

1шт.

6

9993143

HYD CONNECTOR,11/16" - 16 ORFS x 9/16" - 18 ORB

Assy, Incl 31 - 32

3шт.

7

87016914

TEE,1 7/16"-12 ORFS

1шт.

8

9992305

HYD CONNECTOR,13/16" - 16 ORFS x 3/4" - 16 ORB

Assy, Incl 33 - 34

1шт.

9

9840542

ELBOW,90 Degree, 9/16"-18 x 9/16"-18, Adj, ORFS

1шт.

10

201-111

HYD CONNECTOR,9/16" - 18 Male ORFS x 9/16" - 18 Male ORB

1шт.

11

9991973

ELBOW,1-14" ORFS x 1-1/16"-12 ORB

2шт.

12

9846956

90 ELBOW,90 Degree, 1-7/16"-12 x 1-1/16"-12, Adj, ORFS

Assy, Incl 30, 35

2шт.

13

83962539

HYD CONNECTOR,1" - 14 ORFS x 1-1/16 - 12 ORB

4шт.

14

84284694

HOSE ASSY.,6.3mm ID x 1446mm L

1шт.

15

84358584

HOSE ASSY.,12.5mm ID x 1617mm L

1шт.

16

84523983

HYDRAULIC HOSE,25mm ID x 458mm L

1шт.

17

84523971

HYDRAULIC HOSE,25mm ID x 505mm L

1шт.

18

84523969

HYD TUBE

1шт.

19

84281124

TUBE

1шт.

20

84255714

TUBE

1шт.

21

84329867

HOSE PROTECTION,26.87mm ID x 590mm L

2шт.

22

84293669

TUBE

1шт.

23

84293671

TUBE

1шт.

24

84989413

ELBOW,90 Degree, 1 7/16"-12 ORFS x 1 7/16"-12 Fem Sw

Assy, Incl 30

1шт.

25

NS

NOT SERVICED

1шт.

26

86641295

TEE,1-7/16"-12 ORFS to Swivel

1шт.

27

9847690

CAP,1-7/16" - 12 ORFS

1шт.

28

84523970

HYDRAULIC HOSE,25.4mm ID x 538mm L, SAE 100R12

1шт.

29

167268

O-RING,0.116" Thk x 1.171" ID, -916, Cl 6, 90 Duro

1шт.

30

9824050

O-RING,0.07" Thk x 0.926" ID, -21, Cl 6, 90 Duro

1шт.

31

9617873

O-RING,0.078" Thk x 0.468" ID, -906, Cl 6, 90 Duro

1шт.

32

9993141

O-RING,0.07" Thk x 0.364" ID, -12, Cl 6, 90 Duro

1шт.

33

128825

O-RING,0.087" Thk x 0.644" ID, -908, Cl 6, 90 Duro

1шт.

34

9992298

O-RING,0.07" Thk x 0.489" ID, -14, Cl 6, 90 Duro

1шт.

35

167266

O-RING,0.116" Thk x 0.924" ID, -912, Cl 6, 90 Duro

1шт.

Выбрано товаров: 37