Запчасти Case 590SN (35.724.07[01]) - VAR - X20233X - CONTROL - LOADER BUCKET (GEAR PUMP) (35) - HYDRAULIC SYSTEMS

Схема запчастей Case 590SN - (35.724.07[01]) - VAR - X20233X - CONTROL - LOADER BUCKET (GEAR PUMP) (35) - HYDRAULIC SYSTEMS
29
18
39.100.02
8
12
14
17
21
13
7
27
20
35.724.07 02
2
30
32
25
16
13
5
10
4
28
home
23
14
3
26
3
2
9
24
17
22
11
19
11
4
16
15
1
6
31
FIT
1:1
100%

Артикул

Название

Примечание

Количество

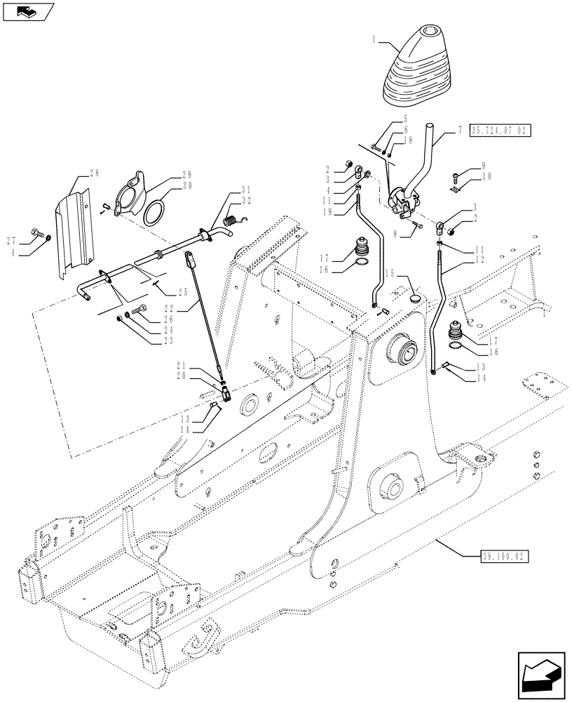
1

84498309

BOOT

1шт.

2

232-4246

NUT,3/8"-16, GC

2шт.

3

87382812

BALL JOINT HEAD,3/8" - 24

2шт.

4

87655046

SPECIAL WASHER,10.65mm ID x 23mm OD x 2.2mm Thk

3шт.

5

614-6020

BOLT,Hex, M6 x 1 x 20mm, Cl 8.8, Full Thd

3шт.

6

87713130

WASHER,6.85mm ID x 12.75mm OD x 1.8mm Thk

3шт.

7

87712604

Assy

1шт.

8

413-624

BOLT,Hex, 3/8" - 16 x 1-1/2", Gr 5

2шт.

9

140-107

SCREW,Pan HD, #10 - 24 x 3/4"

1шт.

10

131-121

SPRING NUT,Tinn, U, #10-24

1шт.

11

425-116

NUT,3/8" - 24, Gr 5

2шт.

12

87664425

ROD

1шт.

13

D149287

PIN,7.9mm OD x 26.72mm L

4шт.

14

432-612

COTTER PIN,3/32" x 3/4"

4шт.

15

353-422

PLUG,Dome, 1.250" hole, Nylon

1шт.

16

189109A1

SPRING,Compression, 42mm OD

2шт.

17

132931A1

BOOT

2шт.

18

829-1406

NUT,Hex, M6 x 1, Cl 10.9

3шт.

19

87664422

ROD

1шт.

20

239406A1

CLEVIS,5/16-24"

1шт.

21

425-115

NUT,5/16"-24, G5

1шт.

22

87428645

CABLE,682mm L

1шт.

23

829-1408

NUT,Hex, M8 x 1.25, Cl 10.9

4шт.

24

87655042

SPECIAL WASHER,8.8mm ID x 17.5mm OD x 2.2mm Thk

4шт.

25

D143591

RING, SNAP,12.7mm ID, Ext

2шт.

26

43127

BOLT,Hex, M8 x 1.25 x 25mm, Cl 8.8

4шт.

27

614-10020

BOLT,Hex, M10 x 1.5 x 20mm, Cl 8.8, Full Thd

2шт.

28

139865A1

SHIELD

1шт.

29

84292801

CAM

Self Leveling (Return to Dig)

1шт.

30

137283A1

WAVE WASHER,85.6mm ID x 109.22mm OD x 1.14mm Thk

1шт.

31

87417601

ROD ASSY.

1шт.

32

124721A1

SPRING,Extension, 19mm ID x 61mm L

1шт.

Выбрано товаров: 32