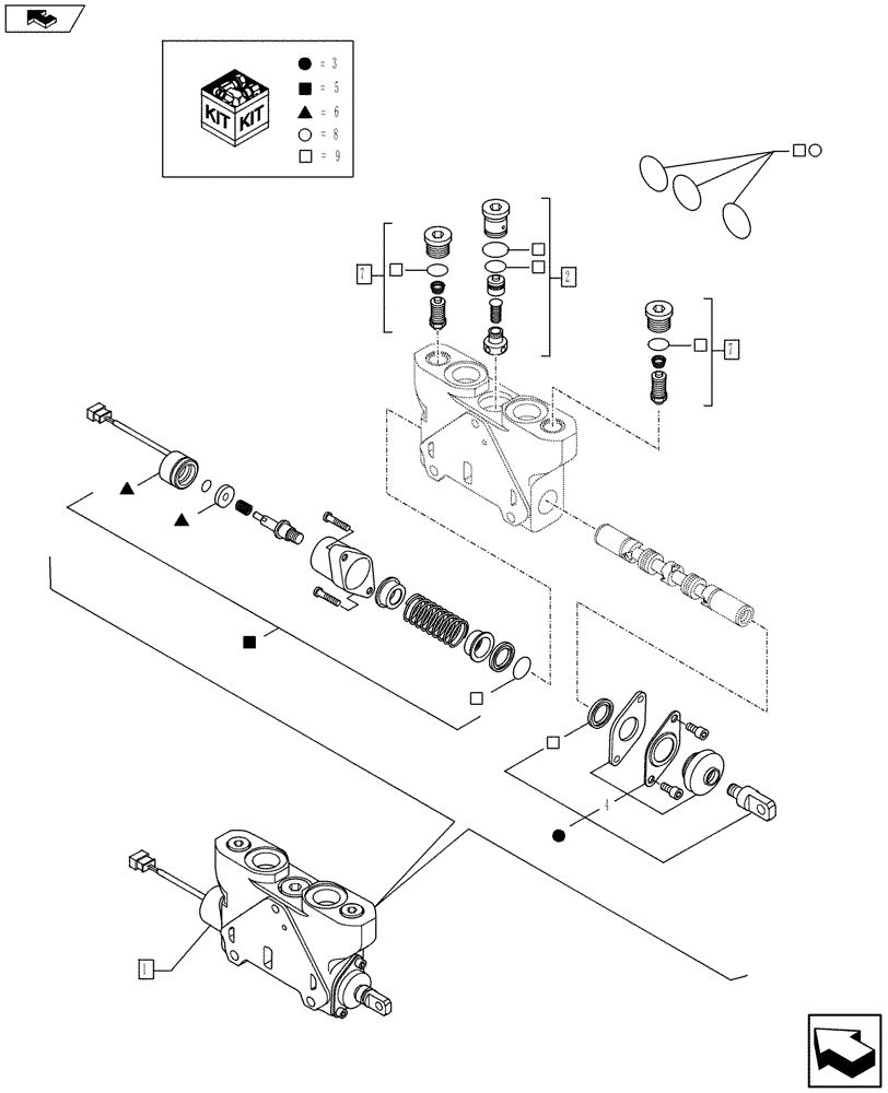
Запчасти Case 590SN (35.724.09[03]) - LOADER CONTROL VALVE, 2 SECTIONS - BUCKET SECTION (35) - HYDRAULIC SYSTEMS

Схема запчастей Case 590SN - (35.724.09[03]) - LOADER CONTROL VALVE, 2 SECTIONS - BUCKET SECTION (35) - HYDRAULIC SYSTEMS
2
5
1
8
6
9
9
3
9
9
9
3
home
7
6
4
5
9
6
9
8
7
9
FIT
1:1
100%

Артикул

Название

Примечание

Количество

1

84295100

HYD VALVE SECTION

Assy, Incl 2 - 9

1шт.

2

84157590

COMPENSATOR

1шт.

3

85824278

KIT

1шт.

4

85820130

BOOT

1шт.

5

87754355

SERVICE KIT

1шт.

6

87754413

SERVICE KIT

1шт.

7

84295052

VALVE PRESSURE RELIE

2шт.

8

85825473

SEAL KIT

1шт.

9

87617657

O-RING KIT

1шт.

Выбрано товаров: 9