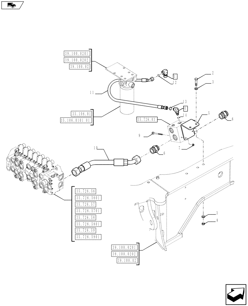
Запчасти Case 590SN (35.726.02) - VAR - 423083 - VALVE INSTALL - HAMMER (WITH MECHANICAL CONTROLS) (35) - HYDRAULIC SYSTEMS

Схема запчастей Case 590SN - (35.726.02) - VAR - 423083 - VALVE INSTALL - HAMMER (WITH MECHANICAL CONTROLS) (35) - HYDRAULIC SYSTEMS
13
35.726.5701
35.106.01
35.726.57
35.726.56
39.100.0202
1
9
39.100.0201
7
35.726.5901
5
39.100.0201
4
12
39.100.02
39.100.0202
35.726.5601
2
home
35.726.59
14
3
3
11
35.726.03
35.726.58
35.106.0101 01
10
6
8
35.726.5801
39.100.02
6
FIT
1:1
100%

Артикул

Название

Примечание

Количество

1

84989392

ELBOW,90 Degree, 11/16"-16 ORFS x 11/16"-16 Fem Sw

Assy, Incl 12

1шт.

2

9706702

BOLT,Hex, M12 x 1.75 x 50mm, Cl 8.8

2шт.

3

87655043

WASHER,M12, 13.65mm ID x 24.90mm OD x 3.20mm, HT Boron, ZNM

4шт.

4

9840543

90 ELBOW,90 Degree, 11/16"-16 x 9/16"-18 Adj, ORFS

Assy, Incl 13 - 14

1шт.

5

84257782

BRACKET

1шт.

6

87303844

HYD CONNECTOR,1-7/16" - 12 ORFS x 1-1/16" - 12 ORB

2шт.

7

43362

NUT,M8 x 1.25, Cl 10

2шт.

8

337475

NUT,M12, Cl 10

2шт.

9

1960667

HEX SOC SCREW,M8 x 90mm, Cl 8.8

2шт.

10

84283270

HOSE ASSY.,19mm ID x 415mm L

1шт.

11

84514723

HOSE ASSY.,10mm ID x 1035mm L

1шт.

12

9993141

O-RING,0.07" Thk x 0.364" ID, -12, Cl 6, 90 Duro

1шт.

13

9617873

O-RING,0.078" Thk x 0.468" ID, -906, Cl 6, 90 Duro

1шт.

14

9993141

O-RING,0.07" Thk x 0.364" ID, -12, Cl 6, 90 Duro

1шт.

Выбрано товаров: 14