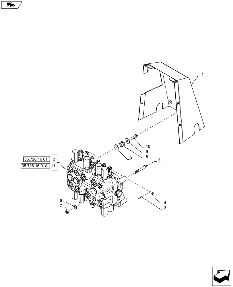
Запчасти Case 590SN (35.726.1906) - BACKHOE CONTROL VALVE, 6-SPOOL, MOUNTING PARTS, STANDARD DIPPER, W/ TWO LEVER CONTROLS (35) - HYDRAULIC SYSTEMS

Схема запчастей Case 590SN - (35.726.1906) - BACKHOE CONTROL VALVE, 6-SPOOL, MOUNTING PARTS, STANDARD DIPPER, W/ TWO LEVER CONTROLS (35) - HYDRAULIC SYSTEMS
35.726.16 01
10
9
7
9
8
11
5
2
1
6
4
home
35.726.16 01a
3
FIT
1:1
100%

Артикул

Название

Примечание

Количество

1

390690A1

COVER

1шт.

2

84273237

VALVE

Assy, Serial Range: -C7373

1шт.

3

432-612

COTTER PIN,3/32" x 3/4"

6шт.

4

D149287

PIN,7.9mm OD x 26.72mm L

6шт.

5

814-10080

BOLT,Hex, M10 x 1.5 x 80mm, Cl 8.8

2шт.

6

87655046

SPECIAL WASHER,10.65mm ID x 23mm OD x 2.2mm Thk

2шт.

7

829-1410

NUT,M10 x 1.5, Cl 10.9

2шт.

8

D52276

ISOLATOR,10.16mm ID x 28.07mm OD x mm L

1шт.

9

87687101

WASHER,10.65mm ID x 31mm OD x 3.3mm Thk

2шт.

10

614-10035

BOLT,Hex, M10 x 1.5 x 35mm, Cl 8.8, Full Thd

1шт.

11

47578529

VALVE

Assy, Start Serial: D7373

1шт.

11

47578529R

REMAN-HYD VALVE

Reman Valve Assy

1шт.

11

47578529C

CORE-VALVE HYD

Return Number

1шт.

Выбрано товаров: 13