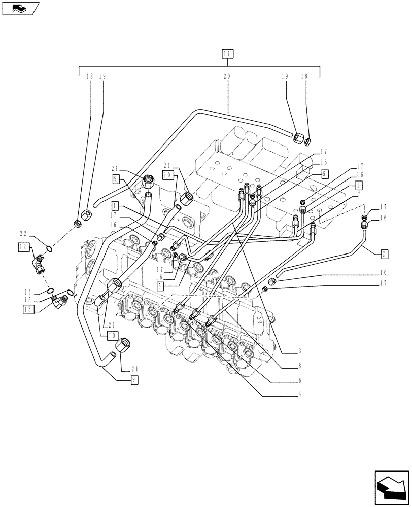
Запчасти Case 590SN (35.726.64[02]) - HYDRAULICS - PILOT CONTROLS (35) - HYDRAULIC SYSTEMS

Схема запчастей Case 590SN - (35.726.64[02]) - HYDRAULICS - PILOT CONTROLS (35) - HYDRAULIC SYSTEMS
21
6
17
16
16
9
17
14
5
5
19
17
home
18
17
7
18
15
13
22
11
10
16
10
16
1
16
20
21
12
17
2
3
9
21
21
17
8
1
16
19
4
FIT
1:1
100%

Артикул

Название

Примечание

Количество

1

87439215

HYD TUBE

Assy, incl 16 - 17

1шт.

2

87439213

HYD TUBE

Assy, incl 16 - 17

1шт.

3

87437627

HYD TUBE

1шт.

4

87437625

HYD TUBE

1шт.

5

87445557

HYD TUBE

Assy, incl 16 - 17

1шт.

6

87437629

HYD TUBE

1шт.

7

87437623

TUBE,.25" OD

1шт.

8

87437621

TUBE,.25" OD

1шт.

9

84332787

HYD TUBE

Assy, incl 21

1шт.

10

84332788

HYD TUBE

Assy, incl 21

1шт.

11

84252987

HYD TUBE,547mm L

Assy, incl 18 - 20

1шт.

12

84989392

ELBOW,90 Degree, 11/16"-16 ORFS x 11/16"-16 Fem Sw

Assy, incl 22

1шт.

13

9992307

90 ELBOW,90 Degree, 13/16"-16 x 3/4"-16 Adj, ORFS

Assy, incl 14 - 15

1шт.

14

128825

O-RING,0.087" Thk x 0.644" ID, -908, Cl 6, 90 Duro

1шт.

15

9992298

O-RING,0.07" Thk x 0.489" ID, -14, Cl 6, 90 Duro

1шт.

16

218-341

TUBE NUT,37 Degree, 7/16"-20, Type B

2шт.

17

218-361

SLEEVE,37 Degree, 1/4" Tube

2шт.

18

84052987

TUBE NUT,11/16"-16 x 17mm L

2шт.

19

86637678

SLEEVE,ORFS, 3/8" Tube, Braze

2шт.

20

84263665

HYD TUBE

1шт.

21

85802819

TUBE NUT,1"-14 x 24mm L

2шт.

22

9993141

O-RING,0.07" Thk x 0.364" ID, -12, Cl 6, 90 Duro

1шт.

Выбрано товаров: 22