Запчасти Case 590SN (35.734.02[02]) - VAR - 442017 - BACKHOE BUCKET, COUPLING, HYDRAULIC CYLINDER (35) - HYDRAULIC SYSTEMS

Схема запчастей Case 590SN - (35.734.02[02]) - VAR - 442017 - BACKHOE BUCKET, COUPLING, HYDRAULIC CYLINDER (35) - HYDRAULIC SYSTEMS
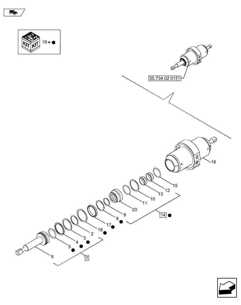
12
19
10
11
19
13
7
5
2
17
19
19
19
16
14
8
4
35.734.02 01
19
18
19
19
6
20
15
home
3
1
9
FIT
1:1
100%

Артикул

Название

Примечание

Количество

1

84270939

HYDRAULIC CYLINDER,Double Acting, 19.1mm Rod, 80.6mm Stroke

Assy, Incl 2 - 20; See also 35.734.02 [01]

1шт.

1

84270939R

REMAN-HYD CYLINDER

Reman For New PN 84270939

1шт.

1

84270939C

CORE-HYD CYLINDER

Return Number

1шт.

2

NSS

NOT SOLD SEPARAT

1шт.

3

NSS

NOT SOLD SEPARAT

1шт.

4

NSS

NOT SOLD SEPARAT

1шт.

5

NSS

NOT SOLD SEPARAT

1шт.

6

399907A2

ROD,19.1mm Dia, 38.1mm Bore x 100.50mm L

1шт.

7

399909A3

ROD,19.1mm Dia, 38.1mm Bore

Assy, Incl 2 - 6

1шт.

8

NSS

NOT SOLD SEPARAT

1шт.

9

A44651

WIPER SEAL,18.49mm ID x 25.3mm OD x 3.63mm Thk

1шт.

10

87615853

BACK-UP RING,32mm ID x 38mm OD x 1.09mm Thk

1шт.

11

238-6218

O-RING,0.139" Thk x 1.234" ID, -218, Cl 6, 90 Duro

1шт.

12

311466A2

1шт.

13

D83187

SEAL,19.05mm ID x 25.4mm OD x 7.18mm W

1шт.

14

NSS

NOT SOLD SEPARAT

Assy, Incl 9 - 13

1шт.

15

800-6138

SNAP RING,M38, Int

1шт.

16

87615850

TUBE,38.1 mm ID

1шт.

17

NSS

NOT SOLD SEPARAT

1шт.

18

NSS

NOT SOLD SEPARAT

1шт.

19

84270949

SEAL KIT

Kit, Incl 3 - 6, 8 - 15, 17

1шт.

20

NSS

NOT SOLD SEPARAT

1шт.

Выбрано товаров: 22