Запчасти Case 590SN (88.035.68[01]) - DIA KIT, NO AUX TO COMBO AUX, MECHANICAL CONTROLS, EXTENDABLE HOE (88) - ACCESSORIES

Схема запчастей Case 590SN - (88.035.68[01]) - DIA KIT, NO AUX TO COMBO AUX, MECHANICAL CONTROLS, EXTENDABLE HOE (88) - ACCESSORIES
19
7
2
9
8
16
13
11
12
15
8
3
6
4
10
20
14
35.726.16 01
home
3
17
35.726.30 02
2
1
5
18
FIT
1:1
100%

Артикул

Название

Примечание

Количество

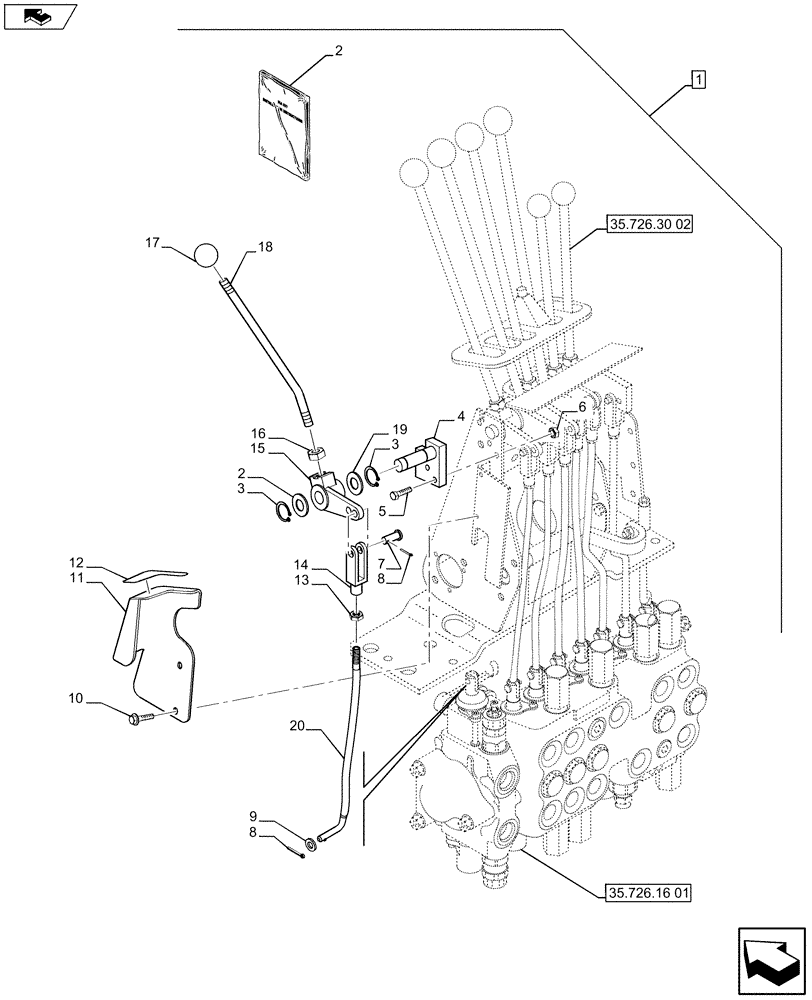
1

84546985

CONSTRUCTION DIA

NO AUX TO COMBO AUX, MECHANICAL CONTROLS, EXTENDABLE HOE, Incl 2 - 20

1шт.

See Ref. 88.035.68 [02] to 88.035.68 [13]

1шт.

Refer to Installation Instructions for Correct Assembly Procedure

1шт.

2

84546984

INSTRUCTION

1шт.

3

103-1475

SNAP RING,#75, Ext

2шт.

4

87425117

PIVOT

1шт.

5

614-6025

BOLT,Hex, M6 x 1 x 25mm, Cl 8.8, Full Thd

2шт.

6

829-1406

NUT,Hex, M6 x 1, Cl 10.9

2шт.

7

D149288

PIN,8.33mm OD x 30.66mm L

1шт.

8

432-612

COTTER PIN,3/32" x 3/4"

3шт.

9

895-11008

WASHER,9mm ID x 16mm OD x 1.6mm Thk

2шт.

10

281-14716

SELF-TAP SCREW,Hex Wash Hd, 1/4" x 1"

2шт.

11

87425122

BRACKET

1шт.

12

87430677

DECAL

1шт.

13

425-156

JAM NUT,Jam, 3/8"-24, G5

1шт.

14

213-126

ADJUSTABLE CLEVIS,3/8"-24 x 2 1/2"

1шт.

15

182006A1

LEVER

1шт.

16

425-118

NUT,1/2"-20, G5

1шт.

17

D59912

KNOB

1шт.

18

221477A1

THREADED ROD,1/2"-20 UNF x 250mm L

1шт.

19

A30881

SEALING WASHER,19.45mm ID x 31.35mm OD

2шт.

20

84398267

ADJUSTMENT ROD,9.525mm D x 315.2mm L

1шт.

Выбрано товаров: 22