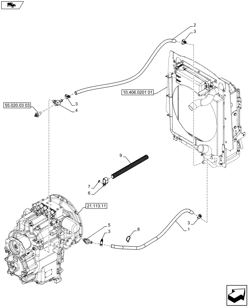
Запчасти Case 590SN (21.106.01) - VAR - 423062 - TRANSMISSION, POWERSHIFT, OIL COOLER LINE (21) - TRANSMISSION

Схема запчастей Case 590SN - (21.106.01) - VAR - 423062 - TRANSMISSION, POWERSHIFT, OIL COOLER LINE (21) - TRANSMISSION
21.113.11
3
1
3
3
3
home
8
2
6
4
5
7
55.020.03 03
9
10.406.0201 01
FIT
1:1
100%

Артикул

Название

Примечание

Количество

1

87422597

HOSE,15.88mm ID x 975mm L, SAE 100R6

Transmission Cooler Fill, L=975mm

1шт.

2

87422598

HOSE,15.88mm ID x 1225mm L, SAE 100R6

Transmission Cooler Return, L=1225mm

1шт.

3

328186A1

HOSE CLAMP,400mm L

4шт.

4

87721671

TEE,1/2"-14 x 7/8"-14 ORB x 5/8 Hose

1шт.

5

217-314

FITTING,45 Degree Elbow, 5/8" Hose Barb x 7/8" - 14 Male ORB

1шт.

6

D39696

CLAMP,25.40mm - 13.49mm Bolt, CTD

1шт.

7

829-1410

NUT,M10 x 1.5, Cl 10.9

1шт.

8

L11541

CABLE TIE,203.2mm L, Nylon

1шт.

9

D132982

PADDLE,26.87mm ID x 400mm L

1шт.

Выбрано товаров: 9