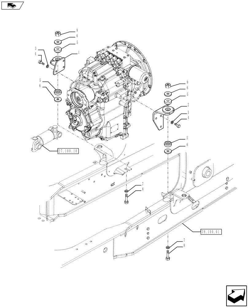
Запчасти Case 590SN (21.112.06) - TRANSMISSION - MOUNTING - POWERSHIFT (21) - TRANSMISSION

Схема запчастей Case 590SN - (21.112.06) - TRANSMISSION - MOUNTING - POWERSHIFT (21) - TRANSMISSION
6
3
8
39.100.01
27.100.10
home
2
5
4
4
5
3
9
1
5
8
9
7
6
7
6
6
5
FIT
1:1
100%

Артикул

Название

Примечание

Количество

1

84481517

MOUNT

1шт.

2

84481520

MOUNT

1шт.

3

896-11012

WASHER,13.5mm ID x 24mm OD x 3mm Thk

6шт.

4

614-12030

BOLT,Hex, M12 x 1.75 x 30mm, Cl 8.8, Full Thd

6шт.

5

84383342

MOUNT

4шт.

6

87630175

WASHER,0.66" ID x 3" OD x 0.18" Thk

4шт.

7

86592702

WASHER,17mm ID x 45mm OD x 6mm Thk

2шт.

8

321246

BOLT,Hex, M16 x 2 x 120mm, Cl 8.8

2шт.

9

832-10416

NUT,M16 x 2, Cl 8

2шт.

Выбрано товаров: 9