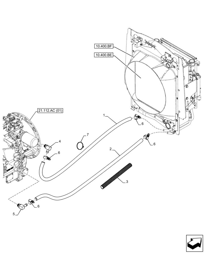
Запчасти Case 590SN (21.104.AL) - VAR - 423058, 423059 - TRANSMISSION, POWERSHUTTLE, OIL COOLER, LINE (21) - TRANSMISSION

Схема запчастей Case 590SN - (21.104.AL) - VAR - 423058, 423059 - TRANSMISSION, POWERSHUTTLE, OIL COOLER, LINE (21) - TRANSMISSION
10.400.be
4
1
10.400.bf
6
3
7
6
5
21.112.ac (01)
6
2
6
FIT
1:1
100%

Артикул

Название

Примечание

Количество

1

47595478

HOSE,15.9mm ID x 1161mm L

Transmission Cooler Fill, 1161mm

1шт.

2

47595479

TUBE,15.88mm ID x 1260mm

Lower Cooler, 1260mm

1шт.

3

D132982

PADDLE,26.87mm ID x 400mm L

1шт.

4

47592191

FITTING,7/8" - 14 OD, 5/8" OD

1шт.

5

217-349

ELBOW,90 Degree Elbow, 5/8" Hose Barb x 7/8" - 14 Male ORB

1шт.

6

328186A1

HOSE CLAMP,400mm L

4шт.

7

L11541

CABLE TIE,203.2mm L, Nylon

1шт.

Выбрано товаров: 7