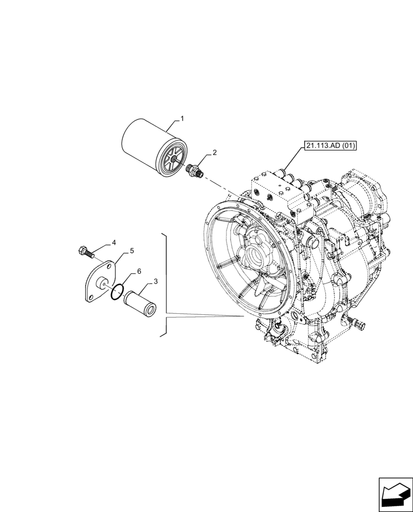
Запчасти Case 590SN (21.105.BC) - VAR - 423062 - TRANSMISSION, POWERSHIFT, OIL FILTER, 4WD (21) - TRANSMISSION

Схема запчастей Case 590SN - (21.105.BC) - VAR - 423062 - TRANSMISSION, POWERSHIFT, OIL FILTER, 4WD (21) - TRANSMISSION
5
1
4
3
2
21.113.ad (01)
6
FIT
1:1
100%

Артикул

Название

Примечание

Количество

1

84475948

FILTER,Spin-on, 13/16” – 16, 97mm OD x 151.6mm L

Hydraulic Oil, Transmission

1шт.

2

181202A1

FITTING

1шт.

3

278534A1

FILTER SCREEN

Transmission Oil / Suction

1шт.

4

614-8018

BOLT,Hex, M8 x 1.25 x 18mm, Cl 8.8, Full Thd

2шт.

5

181219A1

COVER

1шт.

6

100748A1

O-RING,1.421" ID x 1.699" OD x 0.139"

1шт.

Выбрано товаров: 0