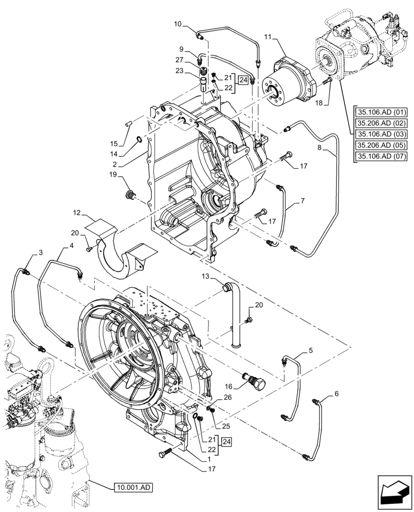
Запчасти Case 590SN (21.113.AD[02]) - VAR - 423062 - TRANSMISSION, POWERSHIFT, HOUSING, 4WD (21) - TRANSMISSION

Схема запчастей Case 590SN - (21.113.AD[02]) - VAR - 423062 - TRANSMISSION, POWERSHIFT, HOUSING, 4WD (21) - TRANSMISSION
26
17
35.206.ad (02)
1
18
11
21
9
16
27
35.106.ad (03)
2
4
24
6
7
22
20
5
35.106.ad (07)
20
23
12
17
25
14
22
10
24
21
10.001.ad
35.206.ad (05)
19
35.106.ad (01)
3
15
13
17
8
FIT
1:1
100%

Артикул

Название

Примечание

Количество

1

87705437

TRANSMISSION HOUSING

Front

1шт.

2

87705453

TRANSMISSION HOUSING

Rear

1шт.

3

87705434

TUBE

3rd Speed

1шт.

4

87705432

TUBE

1st Speed

1шт.

5

87705444

TUBE

4th Speed

1шт.

6

87705441

TUBE

2nd Speed

1шт.

7

87705452

TUBE

Lubrication

1шт.

8

87705448

TUBE

Lubrication

1шт.

9

87705455

TUBE

Lubrication

1шт.

10

87705446

TUBE

Lubrication

1шт.

11

87701269

FLANGE

Transmission, PTO

1шт.

12

87705445

BRACKET

1шт.

13

87705438

PIPE

1шт.

14

181141A1

O-RING,17.12mm ID x 2.62mm Width

3шт.

15

K260177

PIN

2шт.

16

87705439

VALVE

1шт.

17

614-10035

BOLT,Hex, M10 x 1.5 x 35mm, Cl 8.8, Full Thd

18шт.

18

87705895

BOLT,TCEI, M10 x 25mm, Cl 8.8

7шт.

19

100557A1

PLUG, DRAIN,M30 x 2

1шт.

20

614-10020

BOLT,Hex, M10 x 1.5 x 20mm, Cl 8.8, Full Thd

3шт.

21

NSS

NOT SOLD SEPARAT

Plug, Incl in 24

5шт.

22

9617873

O-RING,0.078" Thk x 0.468" ID, -906, Cl 6, 90 Duro

5шт.

23

310772A1

VENTILATION PIPE,18 mm OD, 42 mm Length

1шт.

24

9625178

PLUG,9/16" - 18 ORB

ASSY , Incl 21, 22

5шт.

25

181100A1

PLUG,1/8 CAS x 8

5шт.

26

934667R1

SEALING RING,M10 x 14 x 1

5шт.

27

1530028C1

BREATHER

1шт.

Выбрано товаров: 27