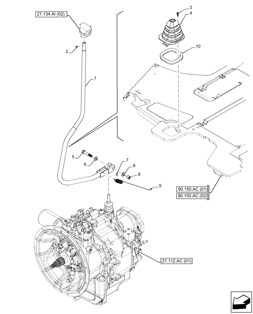
Запчасти Case 590SN (21.134.AI[01]) - VAR - 423058 - TRANSMISSION, POWERSHUTTLE, CONTROL LEVER, RANGE, 2WD (21) - TRANSMISSION

Схема запчастей Case 590SN - (21.134.AI[01]) - VAR - 423058 - TRANSMISSION, POWERSHUTTLE, CONTROL LEVER, RANGE, 2WD (21) - TRANSMISSION
6
21.112.ac (01)
90.150.ac (02)
6
7
90.150.ac (01)
5
8
21.134.ai (02)
2
1
10
3
9
4
FIT
1:1
100%

Артикул

Название

Примечание

Количество

1

379314A4

LEVER

Gear Shift

1шт.

2

484-6316

SET SCREW,Hex Soc, 5/16"-24 x 3/8"

1шт.

3

87310096

BOLT,Hex, M6 x 25, Cl. 8.8, W/ Washer

M6 x 25

1шт.

4

400588A2

BOOT

Gear Shift Lever

1шт.

5

827-12065

BOLT,Hex, M12 x 1.75 x 65mm, Cl 10.9

1шт.

6

87655043

WASHER,M12, 13.65mm ID x 24.90mm OD x 3.20mm, HT Boron, ZNM

2шт.

7

126-116

WOODRUFF KEY,#9, 3/16" x 3/4", HT

1шт.

8

832-10412

NUT,M12 x 1.75, Cl 8

1шт.

9

380537A2

SPRING,Extension, 20.10mm x 38mm L

1шт.

10

410561A1

SEAL,133mm L

Lever Boot

1шт.

Выбрано товаров: 10