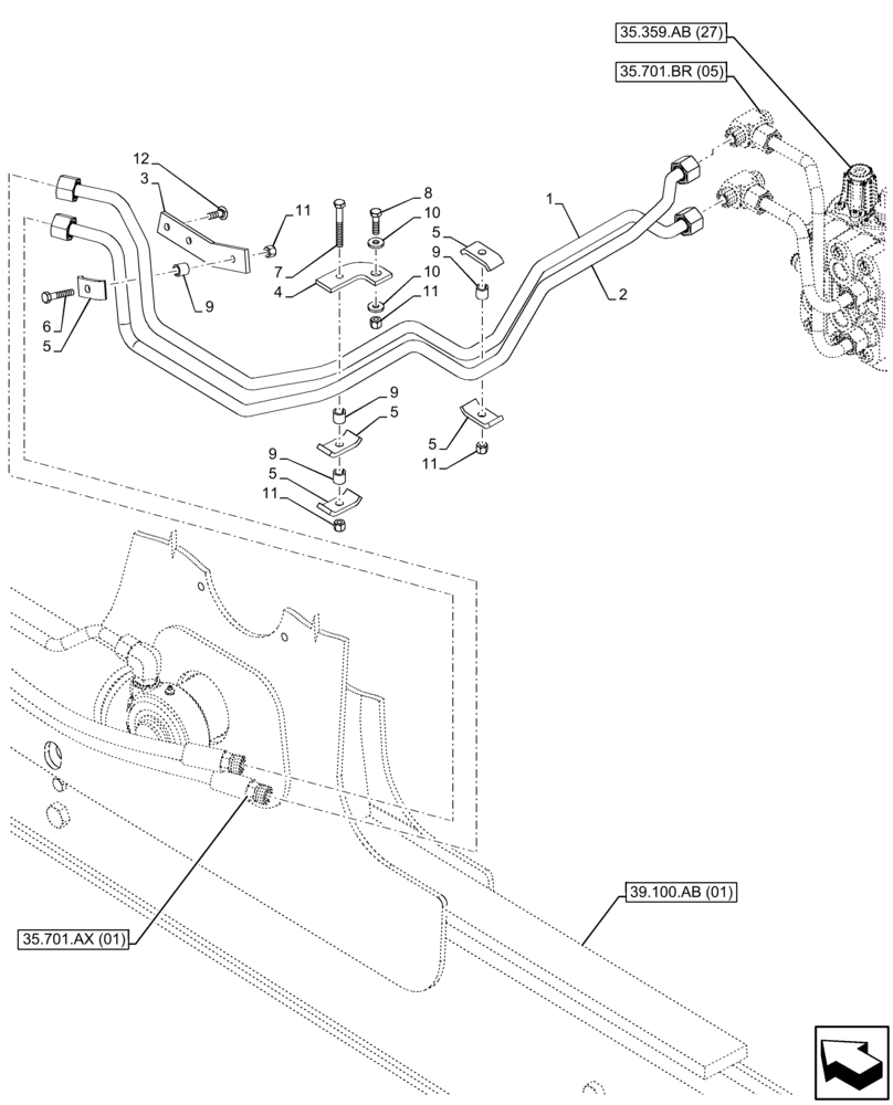
Запчасти Case 590SN (35.701.AX[04]) - VAR - 747864 - LOADER, CYLINDER, LINE (35) - HYDRAULIC SYSTEMS

Схема запчастей Case 590SN - (35.701.AX[04]) - VAR - 747864 - LOADER, CYLINDER, LINE (35) - HYDRAULIC SYSTEMS
11
5
5
10
4
35.701.ax (01)
35.359.ab (27)
5
11
5
39.100.ab (01)
9
9
9
5
11
1
10
2
9
11
3
8
12
7
6
35.701.br (05)
FIT
1:1
100%

Артикул

Название

Примечание

Количество

1

47536042

HYD TUBE

LH Lift Port B

1шт.

2

47546968

HYD TUBE

LH Lift Port A

1шт.

3

84293020

BRACKET

1шт.

4

47536044

BRACKET

1шт.

5

D138055

CLAMP

5шт.

6

43129

BOLT,Hex, M8 x 1.25 x 40mm, LH Thd, Cl 8.8

1шт.

7

300510

BOLT,Hex, M8 x 65mm, Cl 8.8

1шт.

8

43128

BOLT,M8 x 1.25 x 30mm, Cl 8.8

1шт.

9

120303A1

SPACER,11mm ID x 15.82mm OD x 15mm Thk

4шт.

10

12645031

WASHER,8.45mm ID x 21mm OD x 3mm Thk

2шт.

11

16104121

NUT,M8 x 1.25, Cl 10

5шт.

12

308761

CARRIAGE BOLT,M8 x 1.25 x 25mm, Cl 8.8

1шт.

Выбрано товаров: 12