Запчасти Case 590SN (55.510.AN[04]) - VAR - 423060, 423061, 423062 - SEMI-POWERSHIFT, POWERSHIFT TRANSMISSION, FRONT CONSOLE, HARNESS (55) - ELECTRICAL SYSTEMS

Схема запчастей Case 590SN - (55.510.AN[04]) - VAR - 423060, 423061, 423062 - SEMI-POWERSHIFT, POWERSHIFT TRANSMISSION, FRONT CONSOLE, HARNESS (55) - ELECTRICAL SYSTEMS
33.202.ar
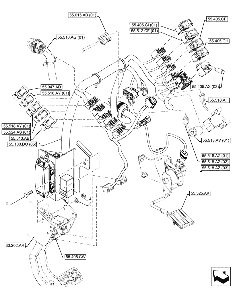
3
4
2
1
55.100.do (05)
55.524.as (01)
55.513.ab
55.518.az (02)
55.510.ag (01)
55.518.ai
55.405.ch
55.518.az (01)
55.518.az (03)
55.405.ax (03)
55.512.cf (01)
55.513.av (01)
55.518.ay (01)
55.518.ay (01)
55.525.ak
55.047.ad
55.405.cw
55.405.cf
55.015.ab (01)
55.405.ci (01)
FIT
1:1
100%

Артикул

Название

Примечание

Количество

1

47512876

WIRE HARNESS

Front Console, SPS/PWR Transmission, ASSY

1шт.

2

614-8025

BOLT,Hex, M8 x 1.25 x 25mm, Cl 8.8, Full Thd

2шт.

3

87655042

SPECIAL WASHER,8.8mm ID x 17.5mm OD x 2.2mm Thk

2шт.

4

829-1408

NUT,Hex, M8 x 1.25, Cl 10.9

2шт.

Выбрано товаров: 4