Качественные детали и логистика
Оригинальные и аналоговые запчасти с доставкой по России, Казахстану и Беларуси
©2022 PartSell ООО "Система" ИНН 2463123282 ОГРН 1212400004838
Центральный офис: г. Красноярск, Академика Киренского, д.87, пом.4
Телефон: 8 (800) 777-65-74 Email: zakaz@partsell.ru
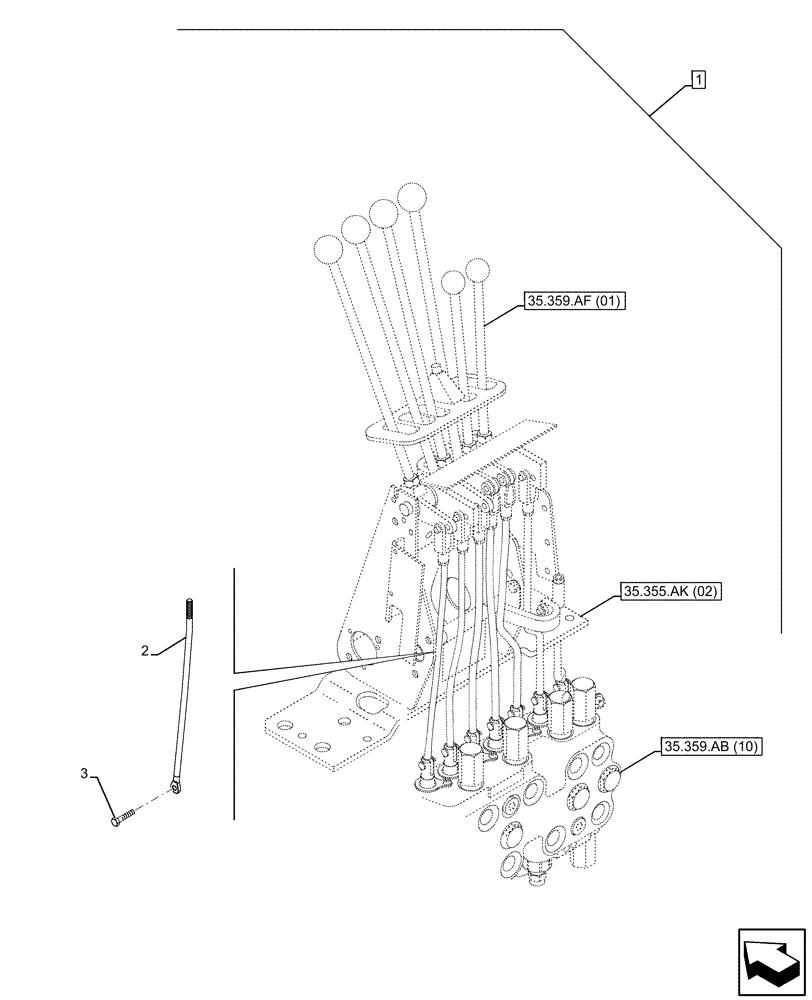
(88.100.35[41]) - DIA KIT, CONVERSION KIT, EXTENDABLE DIPPER
№
Артикул
Название
Примечание
Количество
1
84466981
SERVICE KIT
Extendable Dipper, Conversion, Incl 2, 3
1шт.
2
87446113
THREADED ROD
Extendable Dipper
3
84276557
Bolt on Extendable Dipper, Mechanical Control
Выбрано товаров: 0