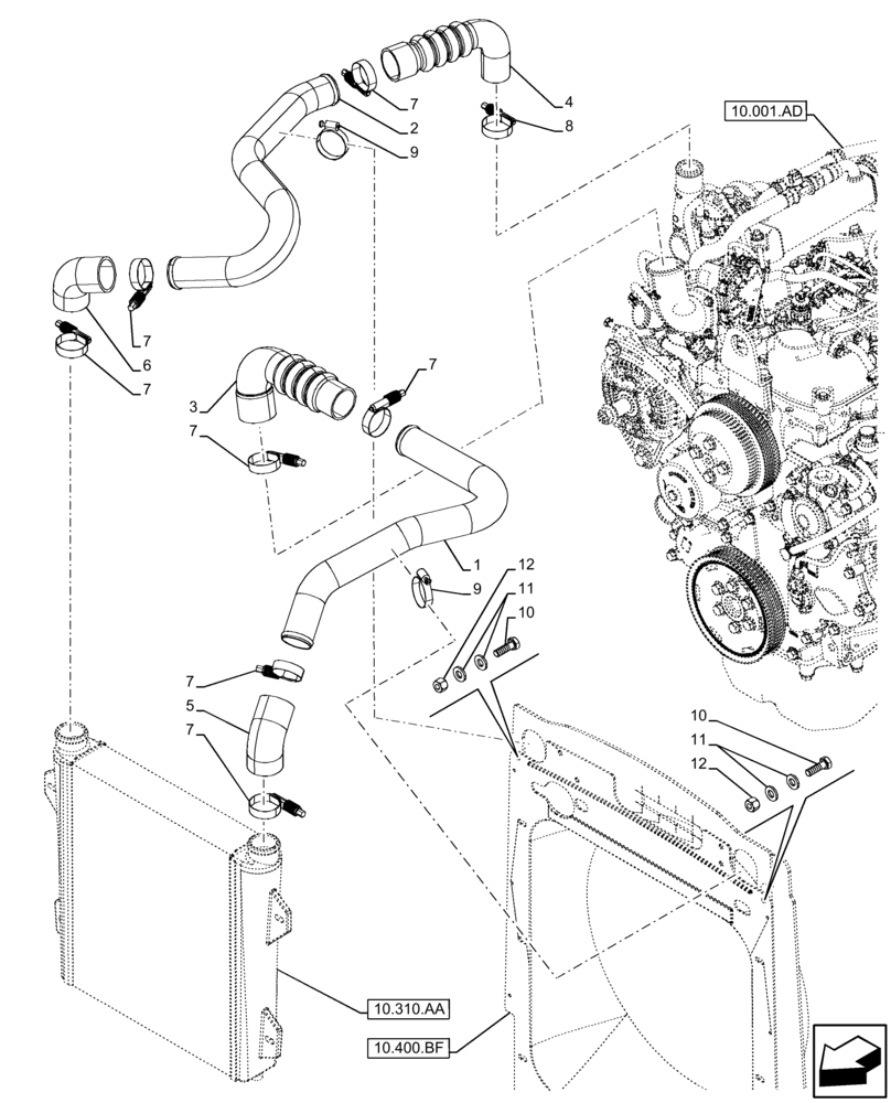
Запчасти Case 590SN (10.400.AY[01]) - RADIATOR HOSE (10) - ENGINE

Схема запчастей Case 590SN - (10.400.AY[01]) - RADIATOR HOSE (10) - ENGINE
7
10.400.bf
7
9
7
6
10
7
5
11
10.310.aa
7
11
2
10
3
10.001.ad
7
12
9
7
12
1
4
8
FIT
1:1
100%

Артикул

Название

Примечание

Количество

1

84329350

TUBE

Radiator, LH

1шт.

2

84329351

TUBE

Radiator, RH

1шт.

3

84329353

AIR HOSE,55mm ID x 221.86mm L, Rubber

Intake, LH

1шт.

4

84329352

AIR HOSE,40.5mm ID x 207.74mm L, Rubber

Intake, RH

1шт.

5

47373646

ELBOW,50.8mm ID x 121mm L

Outlet, LH

1шт.

6

47373649

ELBOW,50.8mm ID x 121mm L

Inlet, RH

1шт.

7

254026A1

HOSE CLAMP,44.45mm - 66.67mm

1-3/4" - 2-5/8"

7шт.

8

353036A1

HOSE CLAMP,32mm - 54mm

1шт.

9

87647029

HOSE CLAMP,40-64mm

40-64mm

2шт.

10

614-8025

BOLT,Hex, M8 x 1.25 x 25mm, Cl 8.8, Full Thd

2шт.

11

87655042

SPECIAL WASHER,8.8mm ID x 17.5mm OD x 2.2mm Thk

4шт.

12

832-10408

NUT,M8 x 1.25, Cl 8.8

2шт.

Выбрано товаров: 12