Запчасти Case 590SN (90.108.AE[07]) - VAR - 423058, 423059 - DECALS, FUSE, RELAY - C9127 (90) - PLATFORM, CAB, BODYWORK AND DECALS

Схема запчастей Case 590SN - (90.108.AE[07]) - VAR - 423058, 423059 - DECALS, FUSE, RELAY - C9127 (90) - PLATFORM, CAB, BODYWORK AND DECALS
2
55.510.ag (01)
1
3
55.100.do (07)
FIT
1:1
100%

Артикул

Название

Примечание

Количество

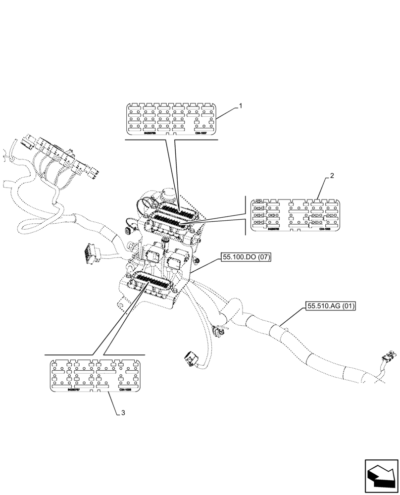
1

84290788

DECAL

Fuses

1шт.

2

84290786

DECAL

Fuses, Relays and Diodes

1шт.

3

84290787

DECAL

Relays

1шт.

Выбрано товаров: 3