Запчасти Case 590SN (10.400.AY[03]) - VAR - 423000, 442082, 747853, 747854, 747855 - RADIATOR & HOSE (10) - ENGINE

Схема запчастей Case 590SN - (10.400.AY[03]) - VAR - 423000, 442082, 747853, 747854, 747855 - RADIATOR & HOSE (10) - ENGINE
10.400.bh
4
3
10.400.be
10.001.ad
1
10.400.ak
2
10.400.bf
FIT
1:1
100%

Артикул

Название

Примечание

Количество

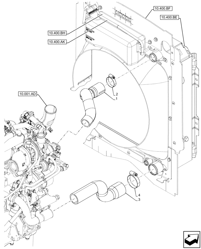
1

47564006

HOSE,46mm ID, 57mm ID, 315mm L, 116.4mm L

Upper

1шт.

2

214-1440

HOSE CLAMP,#40, 2.06" - 3", Type F Worm

1шт.

3

84329358

RADIATOR HOSE

Lower

1шт.

4

87647029

HOSE CLAMP,40-64mm

40-64mm

1шт.

Выбрано товаров: 4