Запчасти Case 590SN (90.108.AE[08]) - VAR - 423060, 423061, 423062 - DECALS, FUSE, RELAY - C9127 (90) - PLATFORM, CAB, BODYWORK AND DECALS

Схема запчастей Case 590SN - (90.108.AE[08]) - VAR - 423060, 423061, 423062 - DECALS, FUSE, RELAY - C9127 (90) - PLATFORM, CAB, BODYWORK AND DECALS
55.510.ag (01)
3
55.100.do (07)
1
2
FIT
1:1
100%

Артикул

Название

Примечание

Количество

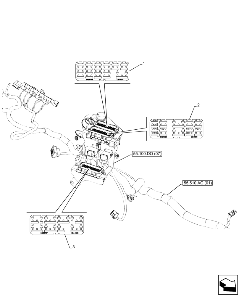
1

84290788

DECAL

Fuses

1шт.

2

84290785

DECAL

Fuses, Relays and Diodes

1шт.

3

84290787

DECAL

Relays

1шт.

Выбрано товаров: 0