Запчасти Case 590SN (35.726.23) - VALVE INSTALL - BACKHOE CONTROL, DUAL AUXILIARY (PILOT CONTROLS) VARIABLE VALVE PUMP (580SN, 580SN WT, 590SN) (35) - HYDRAULIC SYSTEMS

Схема запчастей Case 590SN - (35.726.23) - VALVE INSTALL - BACKHOE CONTROL, DUAL AUXILIARY (PILOT CONTROLS) VARIABLE VALVE PUMP (580SN, 580SN WT, 590SN) (35) - HYDRAULIC SYSTEMS
9
1
3
14
8
11
20
7
15
home
17
19
6
2
18
4
13
16
10
12
5
FIT
1:1
100%

Артикул

Название

Примечание

Количество

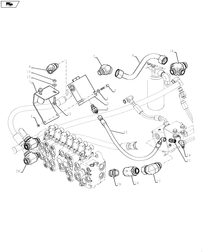
1

84259186

BRACKET

1шт.

2

84247108

CHECK VALVE

1шт.

3

87655042

SPECIAL WASHER,8.8mm ID x 17.5mm OD x 2.2mm Thk

2шт.

4

9706690

NUT,M8 x 1.25, Cl 8

2шт.

5

120062

BOLT,Hex, M8 x 70mm, Cl 8.8

2шт.

6

201-317

ELBOW,45 Degree, 1 3/16"-12 x 1 1/16"-12. Adj, ORFS

1шт.

7

87302733

HYD CONNECTOR

1шт.

8

84354910

HYD TUBE

580SN Prior To P.I.N. NBC543163, 580SN WT Prior To P.I.N. NBC545276, 590SN Prior To P.I.N. NBC546294

1шт.

8

84524281

HYD TUBE

HYD. TUBE; 580SN P.I.N. NBC543163 And After, 580SN WT P.I.N. NBC545276 And After, 590SN P.I.N. NBC546294 And After

1шт.

9

201-315

ELBOW,45 Degree Elbow, 11/16" - 16 Male ORFS x 9/16" - 18 Male ORB

1шт.

10

84394685

ELBOW,9/16"-18 UNF-2A x 1/8"-28 GAS

1шт.

11

84395081

ADAPTER

1шт.

12

84258749

HOSE ASSY.,10mm ID x 645mm L

1шт.

13

87655046

SPECIAL WASHER,10.65mm ID x 23mm OD x 2.2mm Thk

2шт.

14

100016

NUT,M10 x 1.5, Cl 8

2шт.

15

374892

CARRIAGE BOLT,M10 x 1.5 x 40mm, Cl 8.8

2шт.

16

84259313

FITTING,1"7/16 - 12 ORFS x 1"5/16 - 12 ORB

1шт.

17

84262694

90 ELBOW,1-7/16"-12 ORFS x 1-1/16"-12 ORB

1шт.

18

84256601

CHECK VALVE

1шт.

19

9824055

HYD CONNECTOR,1-7/16" - 12 ORFS x 1-5/16" - 12 ORB

1шт.

20

87493307

RUN TEE

2шт.

Выбрано товаров: 21