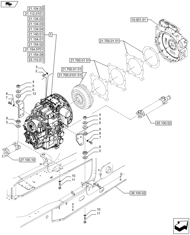
Запчасти Case 590SN (21.112.0401) - VAR - 423059 - STANDARD TRANSMISSION - MOUNTING - 4WD (21) - TRANSMISSION

Схема запчастей Case 590SN - (21.112.0401) - VAR - 423059 - STANDARD TRANSMISSION - MOUNTING - 4WD (21) - TRANSMISSION
4
7
2
6
33.110.01
7
21.112.0101
11
21.154.0701
21.134.02
21.104.03
25.100.02
39.100.02
5
9
10
21.154.02
21.154.09
21.134.03
4
21.700.01 01
1
5
10.001.01
home
8
8
5
5
21.700.01 01
6
12
6
11
6
21.700.01 01
21.154.01
10
21.140.01
21.700.0101 01
21.134.04
27.100.10
3
FIT
1:1
100%

Артикул

Название

Примечание

Количество

1

87395301

TRANSMISSION

Assy

1шт.

2

627-10030

BOLT,Hex, M10 x 1.5 x 30mm, Cl 10.9, Full Thd

12шт.

3

496-21041

WASHER,13/32" x 13/16" x .089", HDN

12шт.

4

832-10416

NUT,M16 x 2, Cl 8

2шт.

5

87630175

WASHER,0.66" ID x 3" OD x 0.18" Thk

4шт.

6

84383342

MOUNT

4шт.

7

614-12030

BOLT,Hex, M12 x 1.75 x 30mm, Cl 8.8, Full Thd

7шт.

8

896-11012

WASHER,13.5mm ID x 24mm OD x 3mm Thk

7шт.

9

84481522

MOUNT

1шт.

10

86592702

WASHER,17mm ID x 45mm OD x 6mm Thk

2шт.

11

321246

BOLT,Hex, M16 x 2 x 120mm, Cl 8.8

2шт.

12

84481525

MOUNT

1шт.

Выбрано товаров: 12