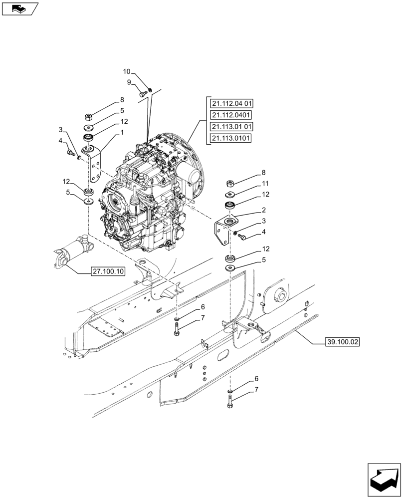
Запчасти Case 590SN (21.112.05) - VAR - 423058, 423059, 423060, 423061 - TRANSMISSION - MOUNTING (21) - TRANSMISSION

Схема запчастей Case 590SN - (21.112.05) - VAR - 423058, 423059, 423060, 423061 - TRANSMISSION - MOUNTING (21) - TRANSMISSION
8
5
9
21.113.01 01
5
6
12
1
6
3
7
21.112.0401
3
12
8
home
21.112.04 01
5
7
21.113.0101
11
2
12
12
27.100.10
4
4
10
39.100.02
FIT
1:1
100%

Артикул

Название

Примечание

Количество

1

84567307

BRACKET

1шт.

2

84567310

BRACKET

1шт.

3

896-11012

WASHER,13.5mm ID x 24mm OD x 3mm Thk

7шт.

4

614-12030

BOLT,Hex, M12 x 1.75 x 30mm, Cl 8.8, Full Thd

7шт.

5

47395221

WASHER,0.66" ID x 3" OD x 0.18" Thk

3шт.

6

86592702

WASHER,17mm ID x 45mm OD x 6mm Thk

2шт.

7

321246

BOLT,Hex, M16 x 2 x 120mm, Cl 8.8

2шт.

8

832-10416

NUT,M16 x 2, Cl 8

2шт.

9

627-10030

BOLT,Hex, M10 x 1.5 x 30mm, Cl 10.9, Full Thd

11шт.

10

87655046

SPECIAL WASHER,10.65mm ID x 23mm OD x 2.2mm Thk

12шт.

11

47395114

WASHER,16.7mm ID x 76.2mm OD x 4.55m Thk, HTS

1шт.

12

84383342

MOUNT

4шт.

Выбрано товаров: 12