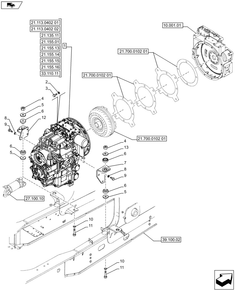
Запчасти Case 590SN (21.113.11) - VAR - 423062 - TRANSMISSION POWERSHIFT H-TYPE - MOUNTING - 4WD (21) - TRANSMISSION

Схема запчастей Case 590SN - (21.113.11) - VAR - 423062 - TRANSMISSION POWERSHIFT H-TYPE - MOUNTING - 4WD (21) - TRANSMISSION
6
10.001.01
21.155.15
5
10
5
39.100.02
home
7
4
6
3
5
9
21.155.01
4
6
21.155.13
9
10
33.110.11
21.135.11
21.700.0102 01
12
21.113.0402 01
8
2
21.700.0102 01
6
11
21.113.0402 02
13
21.155.14
11
27.100.10
21.700.0102 01
21.155.16
8
1
FIT
1:1
100%

Артикул

Название

Примечание

Количество

1

87567534

TRANSMISSION

Assy

1шт.

2

496-21041

WASHER,13/32" x 13/16" x .089", HDN

12шт.

3

627-10030

BOLT,Hex, M10 x 1.5 x 30mm, Cl 10.9, Full Thd

12шт.

4

832-10416

NUT,M16 x 2, Cl 8

2шт.

5

47395221

WASHER,0.66" ID x 3" OD x 0.18" Thk

3шт.

6

84383342

MOUNT

4шт.

7

84481520

MOUNT

1шт.

8

896-11012

WASHER,13.5mm ID x 24mm OD x 3mm Thk

6шт.

9

614-12030

BOLT,Hex, M12 x 1.75 x 30mm, Cl 8.8, Full Thd

6шт.

10

86592702

WASHER,17mm ID x 45mm OD x 6mm Thk

2шт.

11

321246

BOLT,Hex, M16 x 2 x 120mm, Cl 8.8

2шт.

12

84481517

MOUNT

1шт.

13

47395114

WASHER,16.7mm ID x 76.2mm OD x 4.55m Thk, HTS

1шт.

Выбрано товаров: 13