Запчасти Case 590SN (21.700.0102[01]) - VAR - 423062 - TORQUE CONVERTER - POWERSHIFT H-TYPE - 4WD - C7283 (21) - TRANSMISSION

Схема запчастей Case 590SN - (21.700.0102[01]) - VAR - 423062 - TORQUE CONVERTER - POWERSHIFT H-TYPE - 4WD - C7283 (21) - TRANSMISSION
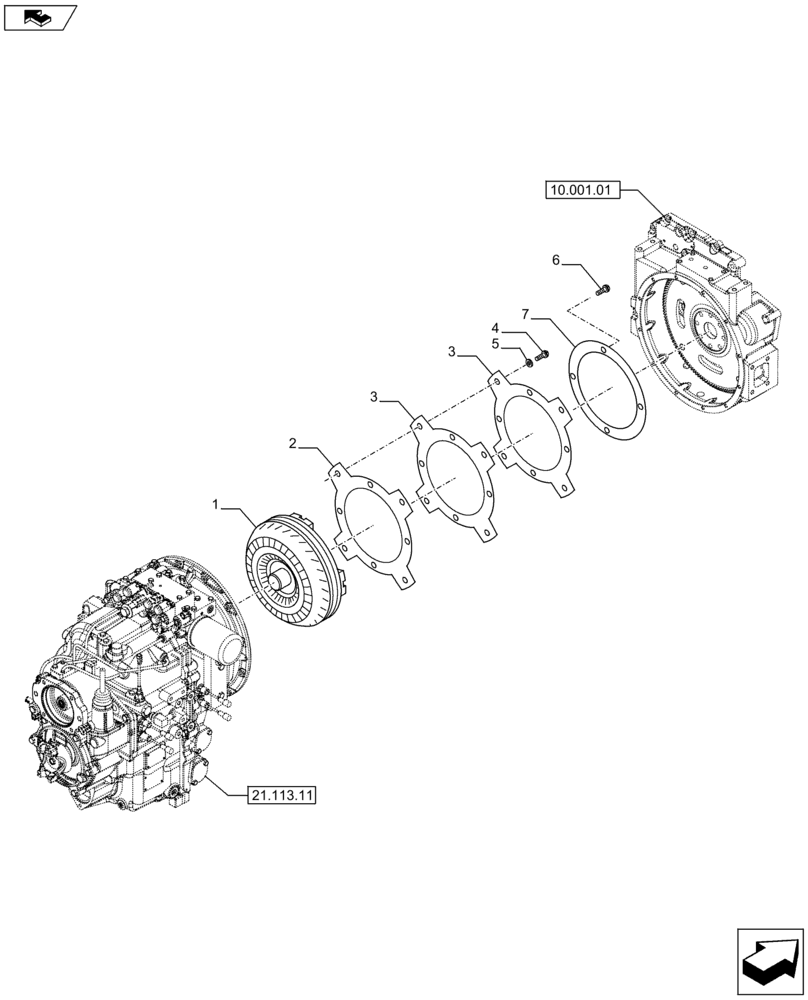
1
10.001.01
home
7
2
3
21.113.11
4
5
6
3
FIT
1:1
100%

Артикул

Название

Примечание

Количество

1

87702192

TORQUE CONVERTER

1шт.

2

87406934

PLATE

Flex Plate With Caged Nut

1шт.

2

47442982

KIT

Flex Plate With Caged Nut

1шт.

3

86993546

PLATE,224mm ID x 284mm OD x 0.5mm Thk

2шт.

4

614-10020

BOLT,Hex, M10 x 1.5 x 20mm, Cl 8.8, Full Thd

4шт.

5

896-15010

WASHER,11mm ID x 24mm OD x 3mm Thk

4шт.

6

87019767

12 PT SCREW,M10 x 1.25 x 30mm, Cl 10.9

4шт.

6

1183269

12 PT SCREW,M10 x 1.5 x 30mm, Cl 10.9

Use with kit 47442982

4шт.

7

87409201

BACKING PLATE,228mm ID x 280mm OD x 1.5mm Thk

1шт.

Выбрано товаров: 9