Запчасти Case 590SN (25.100.0202) - AXLE SUPPORT, DRIVE SHAFT, 4WD (25) - FRONT AXLE SYSTEM

Схема запчастей Case 590SN - (25.100.0202) - AXLE SUPPORT, DRIVE SHAFT, 4WD (25) - FRONT AXLE SYSTEM
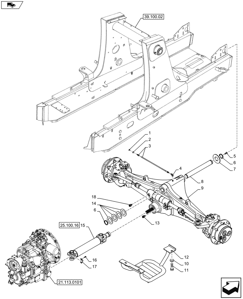
39.100.02
3
home
11
13
9
6
7
5
15
4
6
18
10
16
8
17
1
12
2
14
21.113.0101
25.100.16
FIT
1:1
100%

Артикул

Название

Примечание

Количество

1

F53473

LOCK NUT,1/8-27 NPSM

1шт.

2

87655046

SPECIAL WASHER,10.65mm ID x 23mm OD x 2.2mm Thk

1шт.

3

87572760

HOSE ASSY.,6.4mm ID x 533mm L

1шт.

4

218-5103

90 ELBOW,90 Degree Elbow, 7/16" - 20 Male JIC x 7/16" - 20 Male ORB

1шт.

5

614-12025

BOLT,Hex, M12 x 1.75 x 25mm, Cl 8.8, Full Thd

1шт.

6

800-44050

SNAP RING,M50, Ext

2шт.

7

D123684

WASHER,52.3mm ID x 114mm OD x 4.78mm Thk

1шт.

8

87404197

PIVOT PIN,50mm OD x 426.5mm L

1шт.

9

84263653

4WD AXLE ASSY

Assy, Incl 10 - 12

1шт.

10

87655043

WASHER,M12, 13.65mm ID x 24.90mm OD x 3.20mm, HT Boron, ZNM

3шт.

11

614-12040

BOLT,Hex, M12 x 1.75 x 40mm, Cl 8.8, Full Thd

3шт.

12

84387063

GUARD

1шт.

13

9992342

HYD CONNECTOR,13/16" - 16 ORFS x 9/16" - 18 ORB

1шт.

14

191796A1

WASHER,51.6mm ID x 92mm OD x 1.98mm Thk

4шт.

15

87694656

DRIVE SHAFT

Assy

1шт.

16

9637611

SCREW,Hex Flng, 5/16" - 24 x 3/4"

4шт.

17

D137626

CLAMP,30.175mm D Clamping Pipe

2шт.

18

201-321

ELBOW,45 Degree Elbow, 13/16" - 16 Male ORFS x 9/16" - 18 Male ORB

1шт.

Выбрано товаров: 18