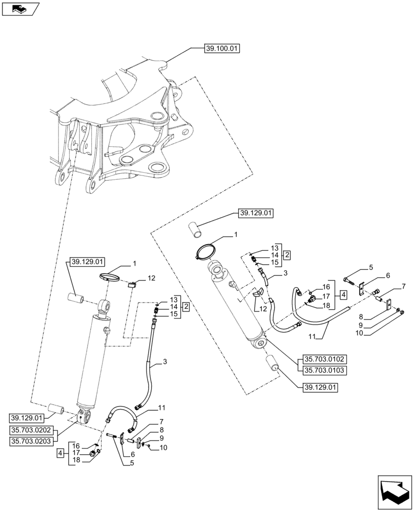
Запчасти Case 590SN (35.703.0302) - STABILIZER CYLINDER, HYDRAULIC LINE (35) - HYDRAULIC SYSTEMS

Схема запчастей Case 590SN - (35.703.0302) - STABILIZER CYLINDER, HYDRAULIC LINE (35) - HYDRAULIC SYSTEMS
35.703.0103
5
7
14
12
2
35.703.0203
18
3
7
16
4
10
12
13
6
35.703.0102
39.129.01
5
11
home
35.703.0202
10
3
8
4
8
1
15
39.129.01
1
9
39.129.01
39.129.01
17
6
17
9
13
11
15
18
14
16
2
39.100.01
FIT
1:1
100%

Артикул

Название

Примечание

Количество

1

84333574

HOSE CLAMP,5.25" - 6.12", Worm Gear

2шт.

2

9992305

HYD CONNECTOR,13/16" - 16 ORFS x 3/4" - 16 ORB

Assy, Incl 13 - 15

2шт.

3

84257155

HYDRAULIC HOSE,9.53mm ID x 813mm L, SAE 100R16

2шт.

4

9992307

90 ELBOW,90 Degree, 13/16"-16 x 3/4"-16 Adj, ORFS

Assy, Incl 16 - 18

2шт.

5

814-10070

BOLT,Hex, M10 x 1.5 x 70mm, Cl 8.8

2шт.

6

87420673

HOSE CLAMP

2шт.

7

87439665

SPACER,11.30mm ID x 15.88mm OD x 19.50mm L

2шт.

8

87420672

SPACER,25mm W x 80mm L x 12mm Thk

2шт.

9

87687101

WASHER,10.65mm ID x 31mm OD x 3.3mm Thk

2шт.

10

829-1410

NUT,M10 x 1.5, Cl 10.9

2шт.

11

84280780

HOSE ASSY.,9.53mm ID x 507mm L, SAE 100R16

2шт.

12

D142787

SPACER

2шт.

13

128825

O-RING,0.087" Thk x 0.644" ID, -908, Cl 6, 90 Duro

1шт.

14

NSS

NOT SOLD SEPARAT

Hyd. Connector; Incl in 2

1шт.

15

9992298

O-RING,0.07" Thk x 0.489" ID, -14, Cl 6, 90 Duro

1шт.

16

128825

O-RING,0.087" Thk x 0.644" ID, -908, Cl 6, 90 Duro

1шт.

17

NSS

NOT SOLD SEPARAT

Hyd. Connector; Incl in 4

1шт.

18

9992298

O-RING,0.07" Thk x 0.489" ID, -14, Cl 6, 90 Duro

1шт.

Выбрано товаров: 18