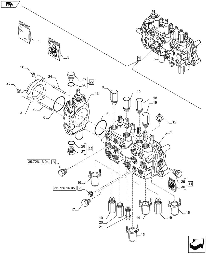
Запчасти Case 590SN (35.726.1604[01A]) - BACKHOE CONTROL VALVE, 7-SPOOL, COMPONENTS, W/ EXTENDABLE DIPPER, W/ 2 LEVER CONTROLS - D7373 (35) - HYDRAULIC SYSTEMS

Схема запчастей Case 590SN - (35.726.1604[01A]) - BACKHOE CONTROL VALVE, 7-SPOOL, COMPONENTS, W/ EXTENDABLE DIPPER, W/ 2 LEVER CONTROLS - D7373 (35) - HYDRAULIC SYSTEMS
35.726.16 04
2
14
8
25
3
30
9
22
7
home
23
26
11
17
6
16
19
27
21
24
12
13
10
5
1
15
6
10
22
19
18
4
16
20
28
27
28
29
35.726.16 05
FIT
1:1
100%

Артикул

Название

Примечание

Количество

1

47578530

VALVE

ASSY, Incl 2 - 30

1шт.

Backhoe Control Valve, 7-Spool, with Extendable Dipper and 2 Lever Controls

1шт.

2

NSS

NOT SOLD SEPARAT

Block, Incl in 1

1шт.

3

87433030

OUTLET

Section, Outlet

1шт.

4

84276557

SERVICE KIT

Bolt On Ehoe Man Control, ASSY, Incl 13, 22 - 26

1шт.

5

47537934

SEAL KIT

Mech Bhoe Valve Seal

1шт.

6

87428495

O-RING,3.50" ID x 3.76" OD x .139" thk

2шт.

7

87428486

VALVE, CHECK

ASSY

1шт.

8

87426238

VALVE, CHECK

ASSY

3шт.

9

47520553

VALVE PRESSURE RELIE

Bucket A Port

1шт.

10

47520548

VALVE PRESSURE RELIE

283 Bar

2шт.

11

81868381

CHECK VALVE,1-1/16" - 12

Anti Void, ASSY, Incl 29, 30

1шт.

12

84315193

SEAL

6шт.

13

NSS

NOT SOLD SEPARAT

Spool Section, Incl in 1

1шт.

14

84296862

KIT

Mech Boom B Port End Group

1шт.

15

84296826

SERVICE KIT

Mech Stab End Group B Port

2шт.

16

84296859

KIT

Mech Bhoe Vlv B port End G

3шт.

17

47538073

CHECK VALVE

1шт.

18

47537935

VALVE PRESSURE RELIE,221 Bar

1шт.

19

47520547

VALVE PRESSURE RELIE,205 Bar

Swing 207 Bar

2шт.

20

47520549

VALVE PRESSURE RELIE

Dipper B Port

1шт.

21

47520550

VALVE PRESSURE RELIE

Boom B Port

1шт.

22

83981068

STOP PLUG,Hex, 1/16 - 12 UN

ASSY, Incl 27, 28

2шт.

23

47538075

TIE-ROD

1шт.

24

47538074

TIE-ROD

2шт.

25

47520611

NUT

1шт.

26

47520609

NUT

2шт.

27

NSS

NOT SOLD SEPARAT

Plug, Incl in 22

1шт.

28

87308628

PLASTIC RING

1шт.

29

NSS

NOT SOLD SEPARAT

Anti Void Valve, Incl in 11

1шт.

30

87455580

O-RING KIT

1шт.

Выбрано товаров: 31