Запчасти Case 590SN (35.726.5601[01A]) - BACKHOE CONTROL VALVE, 6-SPOOL, W/ STANDARD DIPPER, W/ PILOT CONTROLS - D9006 (35) - HYDRAULIC SYSTEMS

Схема запчастей Case 590SN - (35.726.5601[01A]) - BACKHOE CONTROL VALVE, 6-SPOOL, W/ STANDARD DIPPER, W/ PILOT CONTROLS - D9006 (35) - HYDRAULIC SYSTEMS
35.726.56 05
3
8
4
1
home
6
7
5
2
35.726.56 07
35.726.5601 02
35.726.56 06
35.726.56 04
35.726.56 08
35.726.56 03a
FIT
1:1
100%

Артикул

Название

Примечание

Количество

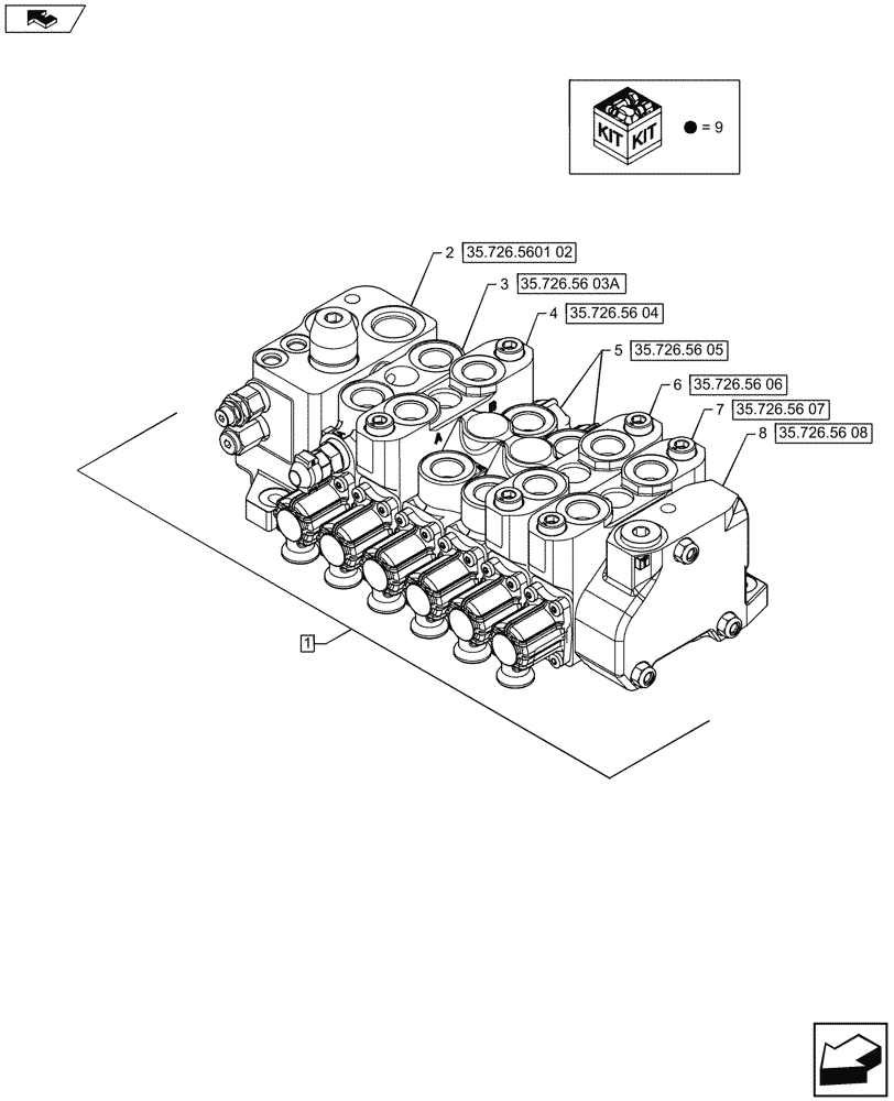
1

84551838

CONTROL VALVE

Assy, Incl 2 - 9

1шт.

2

84278712

HYD VALVE SECTION

Inlet Section, Assy

1шт.

3

84586031

HYD VALVE SECTION

Swing Section, Assy

1шт.

4

84278714

HYD VALVE SECTION

Boom Section, Assy

1шт.

4

84278714R

REMAN-HYD VALVE

Reman Boom Section, Assy

1шт.

4

84278714C

CORE-VALVE HYD

Core Return Number

1шт.

5

84157939

HYD VALVE SECTION

Stabilizer Section, Assy

2шт.

6

84278710

HYD VALVE SECTION

Dipper Section, Assy

1шт.

7

84278702

HYD VALVE SECTION

Bucket Section, Assy

1шт.

8

85811915

HYD VALVE SECTION

Outlet Section, Assy

1шт.

9

85811958

KIT

1шт.

Выбрано товаров: 11