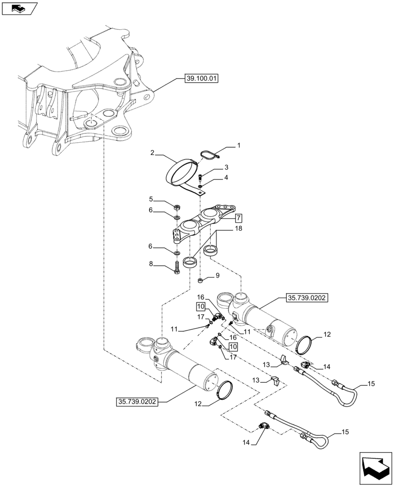
Запчасти Case 590SN (35.739.0102) - HYDRAULIC SYSTEM - CYLINDER BACKHOE SWING / STABILIZER (35) - HYDRAULIC SYSTEMS

Схема запчастей Case 590SN - (35.739.0102) - HYDRAULIC SYSTEM - CYLINDER BACKHOE SWING / STABILIZER (35) - HYDRAULIC SYSTEMS
6
17
7
8
13
5
16
11
16
15
1
10
35.739.0202
4
17
39.100.01
9
12
18
6
3
14
10
15
11
12
2
14
home
13
35.739.0202
FIT
1:1
100%

Артикул

Название

Примечание

Количество

1

L18331

CABLE TIE,375.9mm L, Nylon, Black

1шт.

2

84348263

STRAP,571.5mm L x 50.8mm W

1шт.

3

84348245

SCREW,Hex Soc, M10 x 12 x 25mm, Cl 12.9

1шт.

4

896-11012

WASHER,13.5mm ID x 24mm OD x 3mm Thk

1шт.

5

829-1420

NUT,M20, Cl 10

6шт.

6

87655047

SPECIAL WASHER,21.25mm ID x 38.10mm OD x 4.20mm Thk

12шт.

7

84336208

BEAM

Assy, Incl 18

1шт.

8

827-20075

BOLT,Hex, M20 x 2.5 x 75mm, Cl 10.9, Full Thd

6шт.

9

84348221

SPACER,12.5mm ID x 26mm OD x 16mm L

1шт.

10

9992307

90 ELBOW,90 Degree, 13/16"-16 x 3/4"-16 Adj, ORFS

Assy, Incl 16 - 17

2шт.

11

124690A1

RESTRICTOR

2шт.

12

214-1492

HOSE CLAMP,#92, 5.38" - 6.25", Type F Worm

2шт.

13

D142787

SPACER

2шт.

14

9991973

ELBOW,1-14" ORFS x 1-1/16"-12 ORB

2шт.

15

84318337

HYDRAULIC HOSE,9.53mm ID x 802mm L, SAE 100R16

2шт.

16

128825

O-RING,0.087" Thk x 0.644" ID, -908, Cl 6, 90 Duro

1шт.

17

9992298

O-RING,0.07" Thk x 0.489" ID, -14, Cl 6, 90 Duro

1шт.

18

114318A1

BUSHING,80.19mm ID x 90mm OD x 29.35mm L

2шт.

Выбрано товаров: 0