Запчасти Case 590SN (39.129.0101) - STABILIZER (39) - FRAMES AND BALLASTING

Схема запчастей Case 590SN - (39.129.0101) - STABILIZER (39) - FRAMES AND BALLASTING
35.703.0203
5
6
8
5
3
7
2
9
9
1
5
5
4
3
1
39.100.0102
39.100.0202
35.703.0103
home
FIT
1:1
100%

Артикул

Название

Примечание

Количество

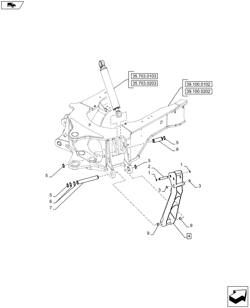
1

103-16175

SNAP RING,#175, Ext

4шт.

2

R26725

PIN,152.4mm OD x 44.45mm L

2шт.

3

D143406

WASHER,38.23mm ID x 63.88mm OD x 2.9mm Thk

8шт.

4

84308123

STABILIZER

Assy, Incl 9

2шт.

5

84233536

RING,55mm ID, Ext

8шт.

6

84231927

SHIM,57mm ID x 70mm OD x 2.77mm Thk

4шт.

7

84243665

PIN,54.9mm OD x 305.5mm L

2шт.

8

84243667

PIN,54.9mm OD x 148mm L

2шт.

9

84229922

BUSHING,55.19mm ID x 65mm OD x 38mm L

2шт.

Выбрано товаров: 9