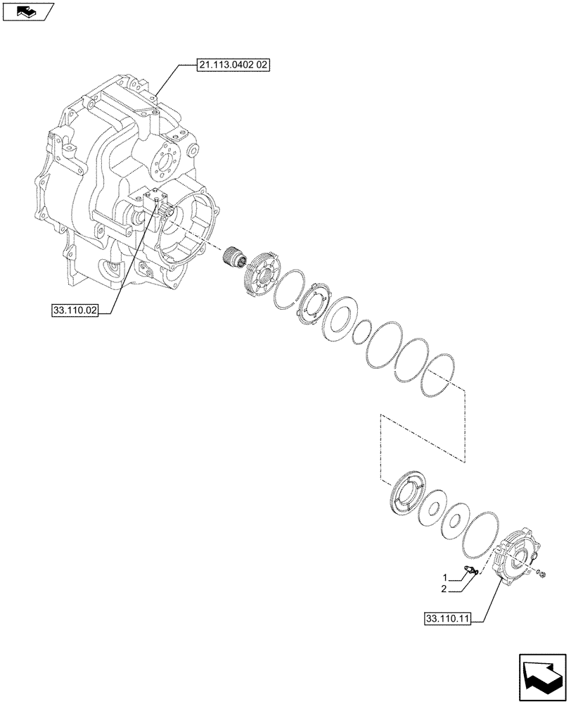
Запчасти Case 590SN (55.031.02) - VAR - 423058, 423059, 423060, 423061, 423062 - PARKING BRAKE, PRESSURE SWITCH (55) - ELECTRICAL SYSTEMS

Схема запчастей Case 590SN - (55.031.02) - VAR - 423058, 423059, 423060, 423061, 423062 - PARKING BRAKE, PRESSURE SWITCH (55) - ELECTRICAL SYSTEMS
2
1
21.113.0402 02
33.110.11
33.110.02
FIT
1:1
100%

Артикул

Название

Примечание

Количество

1

87701313

SENSOR

Pressure

1шт.

2

100760A1

O-RING

1шт.

Выбрано товаров: 2