Качественные детали и логистика
Оригинальные и аналоговые запчасти с доставкой по России, Казахстану и Беларуси
©2022 PartSell ООО "Система" ИНН 2463123282 ОГРН 1212400004838
Центральный офис: г. Красноярск, Академика Киренского, д.87, пом.4
Телефон: 8 (800) 777-65-74 Email: zakaz@partsell.ru
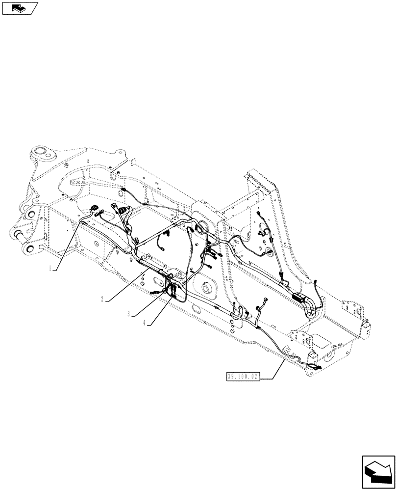
(55.101.03) - VAR - 423058 - HARNESS, INSTALL - CHASSIS
№
Артикул
Название
Примечание
Количество
1
84342272
HARNESS
1шт.
2
84342281
3
L11541
CABLE TIE,203.2mm L, Nylon
CABLE STRAP
3шт.
4
84386573
WIRE HARNESS
2шт.
Выбрано товаров: 0