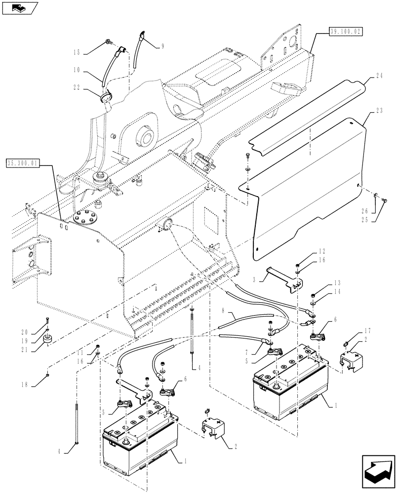
Запчасти Case 590SN (55.302.04) - VAR - 423093 - BATTERY, DUAL - COLD START (55) - ELECTRICAL SYSTEMS

Схема запчастей Case 590SN - (55.302.04) - VAR - 423093 - BATTERY, DUAL - COLD START (55) - ELECTRICAL SYSTEMS
24
25
10
35.300.01
6
39.100.02
4
12
15
14
6
4
13
11
8
16
19
3
26
1
20
18
9
7
2
16
23
21
2
5
home
17
22
5
1
FIT
1:1
100%

Артикул

Название

Примечание

Количество

1

87403835

WET BATTERY,Group 49, 12V, 850CCA

12V; 850 CCA; 95 AH

2шт.

2

87664021

COVER

2шт.

3

87653377

BRACKET

2шт.

4

87522766

BOLT,Hex, M8 x 220mm, Cl 8.8

2шт.

5

87735578

TERMINAL CONNECTOR,5/16 - 18 Stud

2шт.

6

87735577

TERMINAL CONNECTOR,3/16 - 18 Stud

2шт.

7

87610682

NEG BATTERY CABLE,485mm L

1шт.

8

87610681

POS BATTERY CABLE

1шт.

9

87610680

NEG BATTERY CABLE,1200mm L

1шт.

10

87610679

POS BATTERY CABLE

1шт.

11

425-105

NUT,5/16"-18, G5

2шт.

12

832-10408

NUT,M8 x 1.25, Cl 8.8

2шт.

13

425-106

NUT,3/8"-16, Cl 5

2шт.

14

87655046

SPECIAL WASHER,10.65mm ID x 23mm OD x 2.2mm Thk

2шт.

15

844-10025

BOLT,Hex, M10 x 25mm, Cl 8.8

1шт.

16

87655042

SPECIAL WASHER,8.8mm ID x 17.5mm OD x 2.2mm Thk

6шт.

17

87486703

CABLE TIE,312mm L

2шт.

18

832-10406

NUT,M6 x 1, Cl 8

1шт.

19

87655041

SPECIAL WASHER,6.85mm ID x 13.5mm OD x 2mm Thk

1шт.

20

614-6025

BOLT,Hex, M6 x 1 x 25mm, Cl 8.8, Full Thd

1шт.

21

87671746

BUMPER,Neoprene

1шт.

22

L18331

CABLE TIE,375.9mm L, Nylon, Black

1шт.

Выбрано товаров: 22