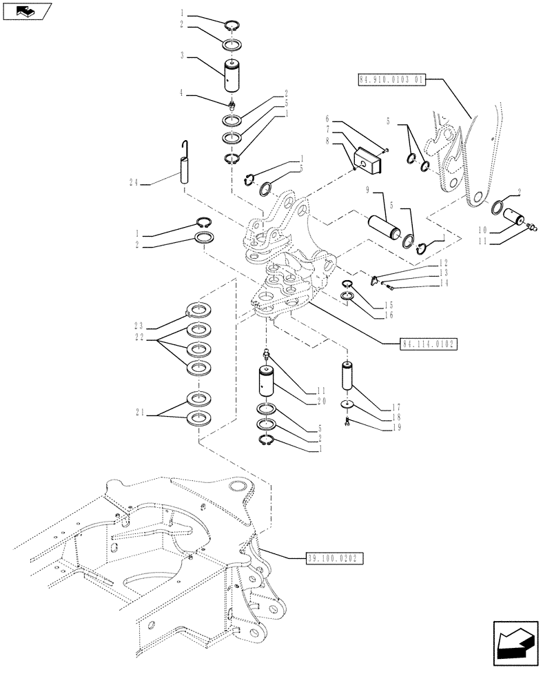
Запчасти Case 590SN (84.910.0103[02]) - BOOM - ASSEMBLY (84) - BOOMS, DIPPERS & BUCKETS

Схема запчастей Case 590SN - (84.910.0103[02]) - BOOM - ASSEMBLY (84) - BOOMS, DIPPERS & BUCKETS
7
2
4
2
18
9
11
3
8
1
10
84.910.0103 01
6
5
2
home
1
1
24
21
19
2
11
84.114.0102
14
1
13
1
2
1
5
16
5
5
17
15
23
39.100.0202
22
20
12
5
FIT
1:1
100%

Артикул

Название

Примечание

Количество

1

800-40080

SNAP RING,M80, Ext

6шт.

2

D144485

SHIM,82mm ID x 98mm OD x 3.05mm Thk

5шт.

3

84246817

PIN,79.9mm OD x 192mm L

1шт.

4

219-55

LUBE NIPPLE,90 Degree Elbow, 1/8" - 27 NPTF

1шт.

5

D144486

SHIM,82mm ID x 98mm OD x 1.57mm Thk

6шт.

6

711-10040

CARRIAGE BOLT,Short NK, M10 x 40, Cl8.8, Full Thd

1шт.

7

84245639

BUMPER

1шт.

8

832-10410

NUT,M10 x 1.5, Cl 8

1шт.

9

84247078

PIN,80mm Dia x 162.5mm L

Boom Cylinder to Tower

1шт.

10

84230831

PIN,80mm OD x 115mm L

Boom to Tower

2шт.

11

219-1

LUBE NIPPLE,1/8" - 27 NPTF

2шт.

12

84246323

RETAINER,18mm ID

2шт.

13

87655044

SPECIAL WASHER,17.75mm ID x 31.50mm OD x 4.20mm, HTS Boron, ZNM

2шт.

14

84246776

PREV TORQUE BOLT,Hex, M16 x 35mm, Cl 10.9

2шт.

15

103-16200

SNAP RING,#200, Ext

2шт.

16

495-81227

WASHER,52.38mm ID x 74.63mm OD x 1.7mm Thk

2шт.

17

84261887

PIN,50.77mm OD x 146.7mm L

Swing Cylinder Eye

2шт.

18

84265979

SPECIAL WASHER,13mm ID x 60mm OD x 3mm Thk

2шт.

19

86566268

LOCK BOLT,Prev Torque, Hex, M12 x 1.75 x 35mm, Cl 8.8, Full Thd

2шт.

20

84246816

PIN,75.7mm Dia x 173mm L

Tower Lower

1шт.

21

84261891

SHIM,82mm ID x 140mm OD x 3mm Thk

2шт.

22

84261890

SHIM,82mm ID x 140mm OD x 2mm Thk

3шт.

23

84246814

SPECIAL WASHER,82mm ID x 144mm OD x 1.10mm Thk

1шт.

24

84412539

PIN,40mm OD x 163mm L

1шт.

Выбрано товаров: 24