Запчасти Case 590SN (88.035.24[10]) - DIA KIT, MECH CONTROLS, 3 SPOOLS, POWERSHIFT TRANSMISSION (88) - ACCESSORIES

Схема запчастей Case 590SN - (88.035.24[10]) - DIA KIT, MECH CONTROLS, 3 SPOOLS, POWERSHIFT TRANSMISSION (88) - ACCESSORIES
35.726.59
35.726.5901
35.726.5701
home
35.726.5801
1
35.726.58
35.726.5601
2
35.726.56
35.726.57
88.035.24 02
FIT
1:1
100%

Артикул

Название

Примечание

Количество

1

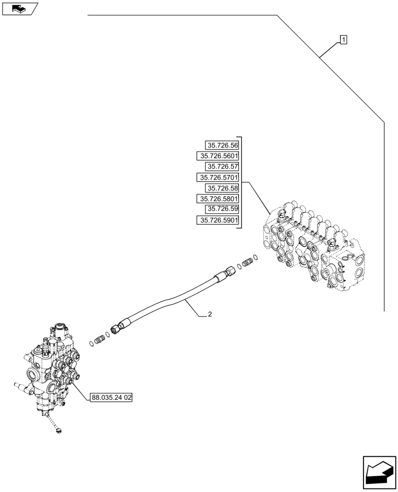
84484675

KIT

Mech Controls, 3 Spools, Powershift Transmission, Incl 2

1шт.

See Ref. 88.035.24 [01] to 88.035.24 [09], 88.035.24 [11]

1шт.

Refer to Installation Instructions for Correct Assembly Procedure

1шт.

2

84256650

HOSE ASSY.,25mm ID x 954mm L

L = 954mm

1шт.

Models without Backhoe Auxiliary Hydraulic System only

1шт.

Выбрано товаров: 5