Запчасти Case 590SN (88.035.38[13]) - DIA KIT, NO AUX TO COMBO AUX, MECHANICAL CONTROLS, STANDARD (88) - ACCESSORIES

Схема запчастей Case 590SN - (88.035.38[13]) - DIA KIT, NO AUX TO COMBO AUX, MECHANICAL CONTROLS, STANDARD (88) - ACCESSORIES
3
35.726.5601 01
1
2
home
39.100.0202
FIT
1:1
100%

Артикул

Название

Примечание

Количество

1

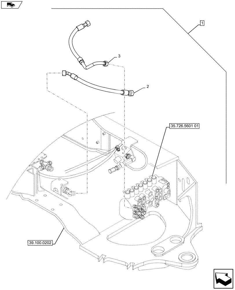
84546983

CONSTRUCTION DIA

NO AUX TO COMBO AUX, MECHANICAL CONTROLS, STANDARD, Incl 2 - 3

1шт.

See Ref. 88.035.38 [01] to 88.035.38 [12]

1шт.

Refer to Installation Instructions for Correct Assembly Procedure

1шт.

2

84258266

HOSE ASSY.,19mm ID x 713mm L

1шт.

3

84292024

HYD TUBE

1шт.

Выбрано товаров: 5